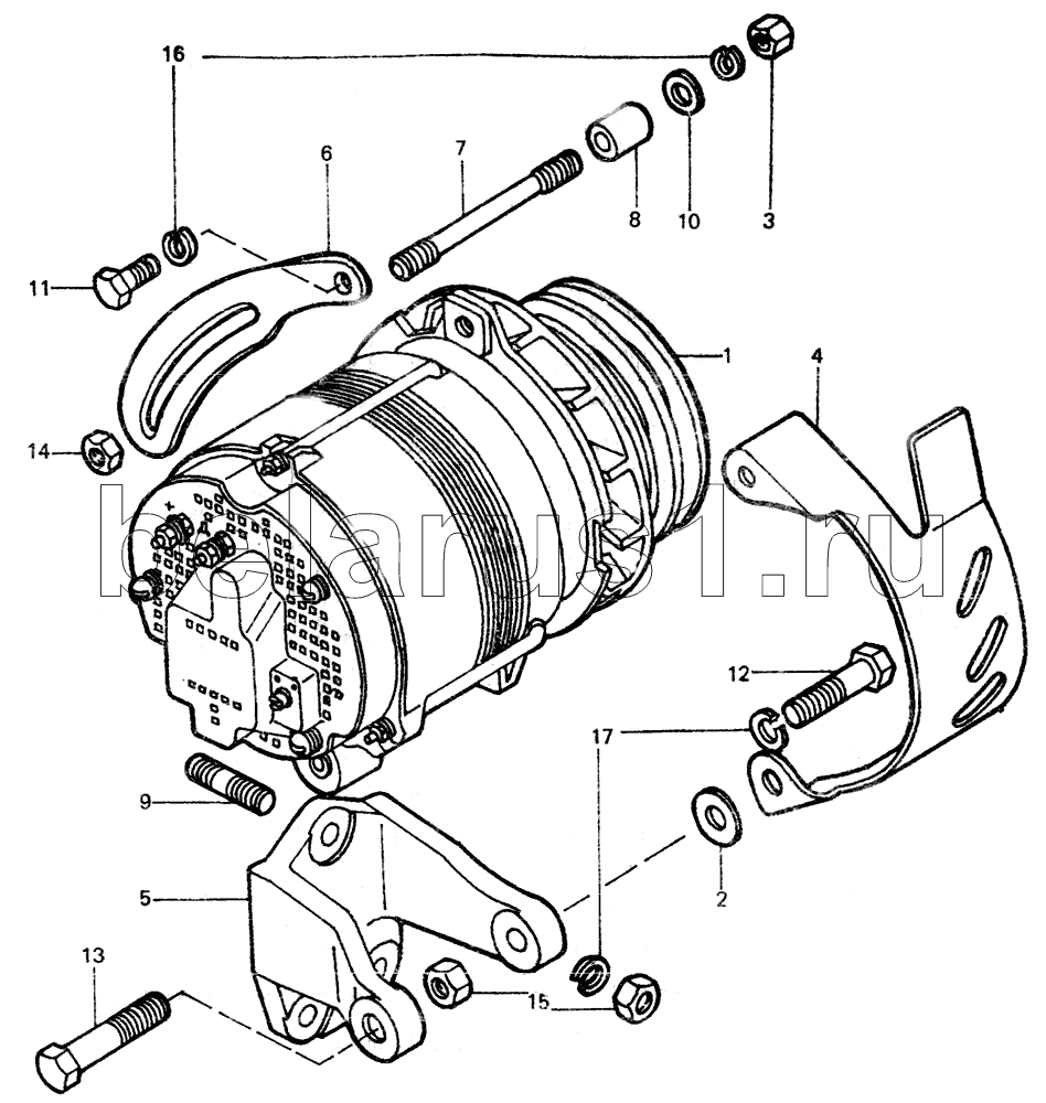
Каталог запасных частей к технике: ЛТЗ-55. Установка генератора

Д144-3701000-Д
1
2
3
4
5
6
7
8
9
10
11
12
13
14
15
16
17
Позиция на иллюстрации | Заводской номер детали | Название детали | |
---|---|---|---|
Д144-3701000-Д | Д144-3701000-Д | Установка генератора | |
1 | 14627.3701000 | Генератор 4627.3701 | |
2 | Д144-1002053 | Шайба | |
3 | Д37А-1008127-Б | Гайка М8Х1 | |
4 | Д21А-3701032-А2 | Щиток генератора | |
5 | Д37Е-3701630-В2 | Кронштейн | |
6 | Д37Е-3701656-В2 | Планка | |
7 | Д37Е-3701657 | Шпилька | |
8 | Д144-3701661-А | Проставка | |
9 | Д37Е-3701675 | Шпилька | |
10 | 24-8402097-01 | Шайба | |
11 | 4М8-6gх18.88.019 | Болт | |
12 | 4М10-6gх35.88.019 | Болт | |
13 | 4М10-6gх45.88.019 | Болт | |
14 | М8-6Н.6.019 | Гайка | |
15 | М10-6Н.6.019 | Гайка | |
16 | 8Т65Г06 | Шайба | |
17 | 100Т65Г06 | Шайба |
Содержащиеся в справочниках-каталогах запасные части и детали не предлагаются к продаже, а носят исключительно информационный характер