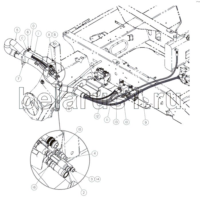
Каталог запасных частей к технике: MacDon-M100. LH COUPLERS, HYDRAULICS

1
2
3
4
5
6
7
8
9
10
11
12
13
14
15
16
A
B
C
D
Позиция на иллюстрации | Заводской номер детали | Название детали | |
---|---|---|---|
1 | 163125 | SUPPORT-HOSES, LH WELDT | |
2 | 135314 | COUPLER - MALE HYD 3/4 IN FLAT FACE | |
135179 | 135179 | SEAL KIT | |
3 | 135361 | COUPLER - MALE HYD 1/2 IN FLAT FACE | |
4 | 135237 | COUPLER - MALE HYD 3/8 IN FLAT FACE BULKHEAD | |
5 | 110547 | SLEEVE-HOSE | |
6 | 28700 | SPRING – COMPRESSION | |
7 | 163254 | HANDLE-HOSE SUPPORT | |
8 | 163128 | SLEEVE-HOSE | |
9 | 110967 | GROMMET | |
10 | 162250 | HOSE-HYDRAULIC | |
11 | 162251 | HOSE-HYDRAULIC | |
12 | 120585 | HOSE-HYD | |
13 | 47141 | HOSE – HYD | |
14 | 135364 | FITTING - ADAPTER HYD | |
15 | 21830 | FITTING - CONNECTOR HYD | |
16 | 21828 | FITTING - ADAPTER HYD | |
A | 19965 | BOLT - RHSN 3/8 NC X 10 GR 5 ZP | |
B | 30228 | Гайка | |
C | 18600 | WASHER - SAE FLAT 21/32 ID X 1 5/16 IN OD ZP | |
D | 50225 | Гайка |
Содержащиеся в справочниках-каталогах запасные части и детали не предлагаются к продаже, а носят исключительно информационный характер