Каталог запасных частей к технике: Massey Ferguson Fend-8300/8350. Auto Level Combine

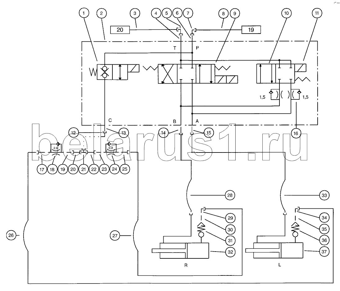
1
2
2
3
4
5
6
7
8
9
10
11
12
13
14
15
16
17
18
19
19
20
20
21
22
23
24
25
26
27
28
29
30
31
32
33
34
35
36
37
Позиция на иллюстрации | Заводской номер детали | Название детали | |
---|---|---|---|
1 | D45120005 | DISTRIBUTOR | |
2 | D45110094 | PRESSURE VALVE | |
2 | D45120008 | SEAL | |
3 | D28186023 | PIPE | |
4 | D45255200 | CONNECTOR | |
5 | D45264100 | UNION | |
6 | D45250800 | UNION | |
7 | D45264000 | UNION | |
8 | D28186026 | PIPE | |
9 | D45110066 | PARTS PACK | |
10 | D45120006 | DISTRIBUTOR | |
11 | D45110064 | COIL | |
12 | D45264000 | UNION | |
13 | D45250800 | UNION | |
14 | D45250800 | UNION | |
15 | D45250800 | UNION | |
16 | D45120007 | PRESSURE VALVE | |
17 | D28181683 | CONNECTOR | |
18 | D28780316 | WASHER | |
19 | D45250800 | UNION | |
20 | D28711881 | PIPE,OIL | |
21 | D45267100 | UNION | |
22 | D28711881 | PIPE,OIL | |
23 | D45250800 | UNION | |
24 | D28780316 | WASHER | |
25 | D28181683 | CONNECTOR | |
26 | D45132300 | HYDR. HOSE | |
27 | D45130028 | HYDR. HOSE | |
28 | D45132300 | HYDR. HOSE | |
29 | D45265000 | CONNECTOR | |
30 | D45235200 | NIPPLE | |
31 | D45120020 | PRESSURE VALVE | |
32 | D45100026 | CYLINDER | |
33 | D45132300 | HYDR. HOSE | |
34 | D45265000 | CONNECTOR | |
35 | D45235200 | NIPPLE | |
36 | D45120020 | PRESSURE VALVE | |
37 | D45100026 | CYLINDER |
Содержащиеся в справочниках-каталогах запасные части и детали не предлагаются к продаже, а носят исключительно информационный характер