Каталог запасных частей к технике: Massey Ferguson MF-7244 Activa. Front Lighting Components

1
1
2
2
2
3
3
4
5
5
5
6
7
7
8
8
9
9
10
10
11
11
12
13
14
14
15
15
16
17
18
18
19
19
20
20
21
22
22
23
23
24
25
26
26
26
27
28
28
29
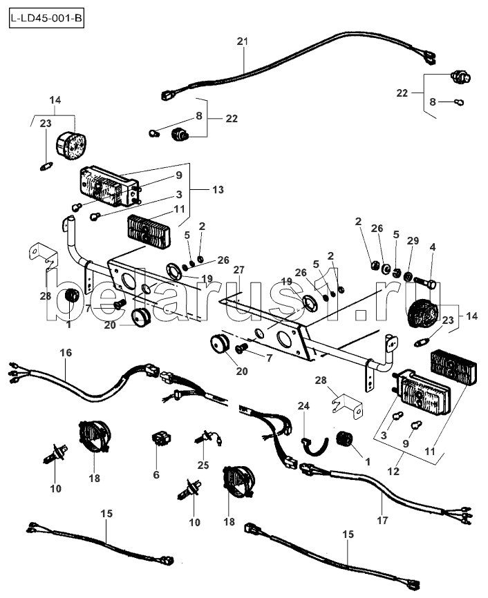
Позиция на иллюстрации | Заводской номер детали | Название детали | |
---|---|---|---|
1 | LA10397780 | Grommet | |
2 | LA10718011 | Nut | |
3 | LA10857790 | Bulb 12v5w | |
4 | LA10978221 | Cap Screw | |
5 | LA12035471 | Lock Washer | |
6 | LA12057980 | Gasket | |
7 | LA13274411 | Screw | |
8 | LA14144190 | Bulb | |
9 | LA14148190 | Bulb 12v 21w | |
10 | LA14152090 | Bulb | |
11 | LA71316700 | Lens | |
12 | LA320966500 | Indicator | |
13 | LA320966600 | Indicator | |
14 | LA321909200 | Head Light | |
15 | LA321914950 | Harness | |
16 | LA321934400 | Harness | |
17 | LA321934500 | Harness | |
18 | LA322798550 | Headlamp | |
19 | LA322841850 | Flange | |
20 | LA322848600 | Head Light | |
21 | LA322896400 | Harness | |
22 | LA322896600 | Head Light | |
23 | LA340481009 | Bulb | |
24 | LA340481810 | Cable Tie | |
25 | LA344810102 | Bulb | |
26 | LA355500615 | Flat Washer | |
27 | Floor | Floor | |
28 | LA323005050 | Support | |
29 | LA355510615 | Flat Washer |
Содержащиеся в справочниках-каталогах запасные части и детали не предлагаются к продаже, а носят исключительно информационный характер