Каталог запасных частей к технике: МТЗ 1220. Корпус сцепления

1
2
3
4
4
4
4
5
6
7
8
9
10
11
12
13
13
14
15
16
17
18
19
19
20
21
21
21
22
23
24
25
26
27
28
29
30
31
32
33
34
35
36
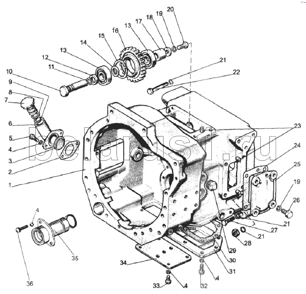
Позиция на иллюстрации | Заводской номер детали | Название детали | |
---|---|---|---|
80-1600010-03 | 80-1600010-03 | Корпус | |
80-1600010-08 | 80-1600010-08 | Корпус сцепления | |
70-1601330 | 70-1601330 | Шестерня 70-1601331 с кольцами в сборе | |
240-1002115 | 240-1002115 | Заказать Заказать | Горловина с кольцом пружинным и патрубком в сборе |
A19.01.100 | A19.01.100 | Крышка | |
1 | 80-1601015 | Заказать | Корпус |
2 | 240-1002082-A | Прокладка | |
3 | 240-1002085 | Заказать | Сетка |
4 | Шайба8Т | Шайба 8Т | |
5 | М8-6gx20.88.35.019 | Болт | |
6 | 240-1002088-В | Заказать | Патрубок |
7 | A19.01.001 | Пробка | |
8 | 042-048-30-2-1 | Кольцо | |
9 | A19.01.003 | Кольцо пружинное | |
10 | 80-1601335 | Ось | |
11 | 020-025-30-1-4 | Кольцо | |
12 | 80-1601337 | Шайба | |
13 | 305А | Подшипник | |
14 | 70-1601333 | Кольцо | |
15 | С62 | Кольцо | |
16 | 70-1601331 | Заказать Заказать | Шестерня промежуточная |
17 | 80-1601336 | Заказать | Втулка |
18 | 80-1601334 | Шайба | |
19 | Шайба12.ОТ | Шайба | |
20 | М12-6gx35.88.35.019 | Болт | |
21 | Шайба20.ОТ | Шайба | |
22 | 70-4605036-03 | Заказать | Болт |
23 | ШЦК10x25 | Штифт | |
24 | 80-1601343 | Прокладка | |
25 | 80-1601342 | Заказать | Крышка |
26 | М12-6gx30.88.35.019 | Болт | |
27 | 70-4605036 | Заказать | Болт |
28 | М20-6Н.6.019 | Гайка | |
29 | ПККГ174 | Пробка | |
30 | 80-1601314 | Прокладка | |
31 | 80-1601313 | Крышка | |
32 | М8-6gx25.88.35.019 | Болт | |
33 | М8-6gх16.88.35.019 | Болт | |
34 | 50-1601341 | Заказать | Крышка сцепления |
35 | 86-1802015-Б | Заказать | Обойма |
36 | М8-6gx35.88.35.019 | Болт |
Содержащиеся в справочниках-каталогах запасные части и детали не предлагаются к продаже, а носят исключительно информационный характер