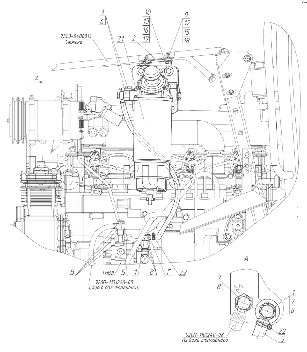
Каталог запасных частей к технике: МТЗ 1220. Установка топливного фильтра

920П-1101240-08
921.3-8400013
920П-1101240-05
1
1
2
3
5
7
7
8
8
9
10
12
13
15
16
18
19
21
22
22
Позиция на иллюстрации | Заводской номер детали | Название детали | |
---|---|---|---|
922-1117100-01 | 922-1117100-01 | Установка топливного фильтра | |
920П-1101240-08 | 920П-1101240-08 | Топливопровод | |
921.3-8400013 | 921.3-8400013 | Стяжка | |
920П-1101240-05 | 920П-1101240-05 | Топливопровод | |
1 | Ф80-3407720 | Заказать | Маслопровод |
2 | 922-1117112 | Кронштейн | |
3 | 1221-1101492 | Штуцер | |
5 | 920-1101162-02 | Трубка | |
7 | Д18-051 | Болт | |
8 | 4600.18 | Шайба РМ14 | |
9 | М10-6gx65.88.35.019 | Болт | |
10 | М8-6gx20.88.35.019 | Болт | |
12 | М8-6Н.6.019 | Гайка | |
13 | М10-6Н.6.019 | Гайка | |
15 | С8.01.019 | Шайба | |
16 | С10.01.019 | Шайба | |
18 | Шайба8Т | Шайба 8Т | |
19 | Шайба10.ОТ | Шайба | |
21 | 4206660662983 | Фильтр предварительный | |
22 | 12-20/9-C6W | Хомут NORMA TORRO | |
24 | 4600.19 | Шайба РМ3/8 |
Содержащиеся в справочниках-каталогах запасные части и детали не предлагаются к продаже, а носят исключительно информационный характер