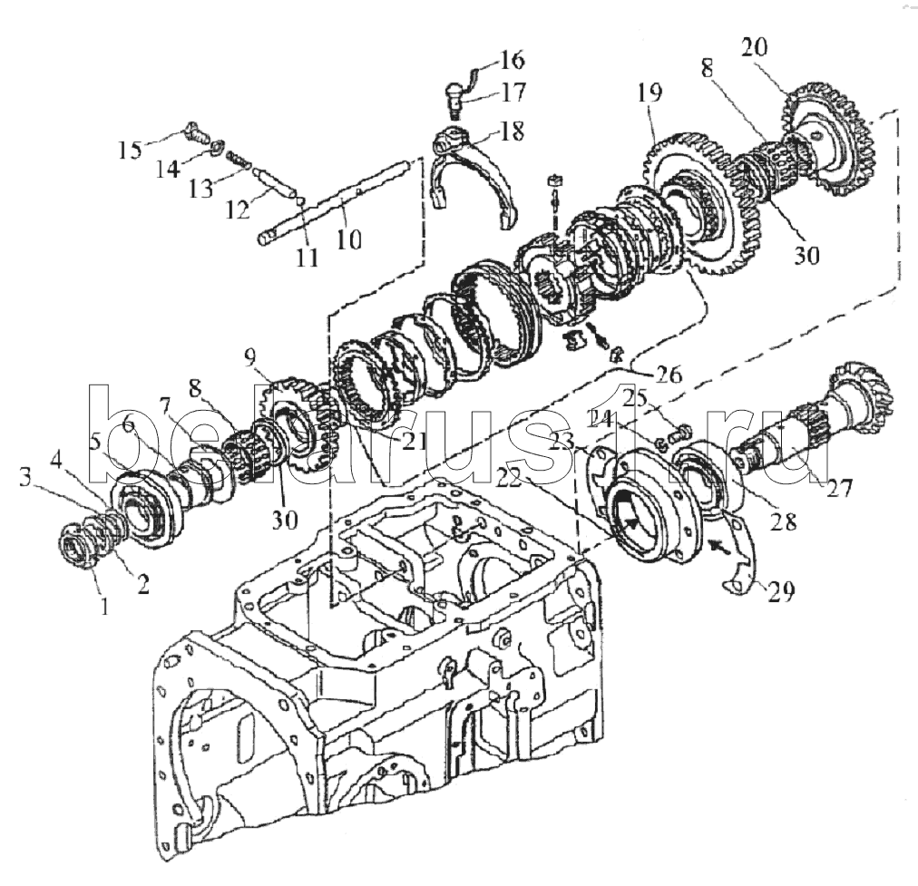
Каталог запасных частей к технике: МТЗ 1220.5. Вал вторичный (24F+12R)

1
2
3
4
5
6
7
8
8
9
10
11
12
13
14
15
16
17
18
19
20
21
22
23
24
25
26
27
28
29
30
30
Позиция на иллюстрации | Заводской номер детали | Название детали | |
---|---|---|---|
1222-1701050 | 1222-1701050 | Вал | |
80-1701140-Б | 80-1701140-Б | Гнездо | |
1 | 80-1701045 | Заказать Заказать | Гайка |
2 | 1522-1701354 | Заказать | Шайба |
3 | 1522-1701254 | Шайба 0,2 мм | |
4 | 1522-1701254-01 | Шайба 0,5 мм | |
5 | 6-67512АШ2 | Подшипник | |
6 | 1522-1701350 | Втулка | |
7 | 1222-1701353 | Шайба | |
8 | КК70x78x31Е | Подшипник | |
9 | 1222-1701314-А | Шестерня | |
10 | 1222-1702037 | Поводок | |
11 | 10,0-60 | Заказать | Шарик ГОСТ 3722-81 |
12 | 85-1702048 | Штифт | |
13 | 50-1702148-A | Пружина | |
14 | 85-1702051 | Шайба | |
15 | М12-6gx25.88.35.019 | Болт | |
16 | 1,6-О-С | Проволока | |
17 | 80-1702108 | Заказать | Болт |
18 | 1222-1702029 | Заказать | Вилка |
19 | 1222-1701312-А | Шестерня | |
20 | 1222-1701313 | Шестерня | |
21 | 1222-1701349 | Втулка | |
22 | 80-1701141-Б | Гнездо | |
23 | 50-1701258 | Заказать | Прокладка регулировочная 0,2 мм |
24 | 10.ОТ | Шайба | |
25 | М10-6gx30.88.35.019 | Болт | |
26 | GT-D109/116 | Синхронизатор | |
27 | 1222-1701252-В | Вал-шестерня | |
28 | 7712A | Подшипник | |
29 | 50-1701259 | Заказать | Прокладка регулировочная 0,5 мм |
30 | 2025-1701033 | Втулка |
Содержащиеся в справочниках-каталогах запасные части и детали не предлагаются к продаже, а носят исключительно информационный характер