Аркадак
Эль-Монте ваш город?
Да
Выбрать другой город
Написать в
WhatsApp
Написать в
Telegram
Каталог

Каталог запасных частей к технике: МТЗ 1523.5. Стекла кабины

zoom-in zoom-out enlarge shrink circle-right circle-left file-text2 info cart
1
1
1
1
2
2
2
2
2
2
2
2
3
3
3
3
3
3
3
3
4
4
5
5
5
5
6
6
6
6
7
8
10
11
12
13
15
16
17
18
18
18
20
20
22
23
24
24
25
25
25
25
26
27
27
27
27
28
28
30
31
31
35
36
36
37
38
39
40
41
43
44
44
44
45
45
45
46
46
46
47
48
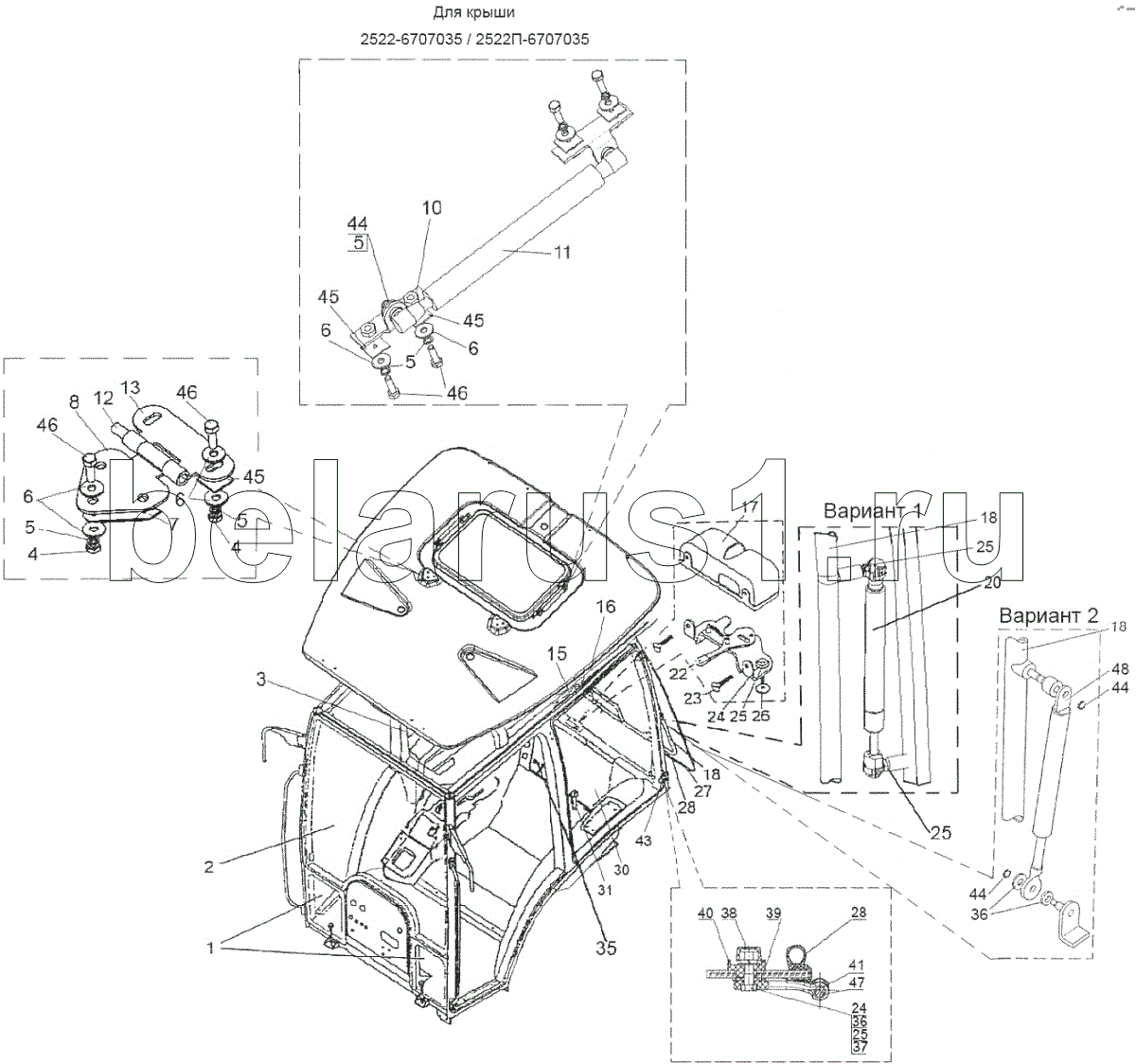
Позиция на иллюстрации Заводской номер детали Название детали
1 2522-6703012 Стекло левое
1 2522-6703012- A Стекло левое
1 2522-6703012-AL Стекло
1 2522-6703012- A2 Стекло левое
2 2522-6703011- А2.1 Стекло
2 2522-6703011-AL Стекло
2 2522-6703011-A Стекло
2 2522-6703011 Стекло
2 2522-6703012-А2-01 Стекло правое
2 2522-6703012-AL-01 Стекло
2 2522-6703012-А-01 Стекло
2 2522-6703012-01 Стекло правое
3 2522-6708111-А2-01 Стекло правое
3 2522-6708111-AL-01 Стекло
3 2522-6708111-А-01 Стекло
3 2522-6708111-01 Стекло правое
3 2522-6708111-А2 Стекло левое
3 2522-6708111-AL Стекло
3 2522-6708111-A Стекло левое
3 2522-6708111 Стекло левое
4 Гайка М6-6Н.6.019 Гайка М6-6Н.6.019
5 Шайба 6Т Шайба 6Т
6 Шайба С6.01.019 Шайба С6.01.019
7 923-6707087 Прокладка
8 822-6707082 Петля
9 Винт В.М6-6дх25.58.019 Винт
10 822-6707075 Кронштейн
11 586563 Пружина газовая
12 70-6708189 Заказать Ось
13 822-6707081 Петля
15 1522-8104060 Решетка
16 80-8104060 Заказать Фильтр
17 822-6708279 Крышка
18 2522-6708215 Дуга
20 586564 Пружина газовая 6288 VJ
20 11.4.6308010 Заказать Пружина
22 822-6708270-А Замок
23 Винт В.М4-6дх10.58.019 Винт
24 Болт М8-6дх25.88.35.019 Болт
25 Шайба 8Т Шайба 8Т
26 Шайба С8.01.019 Шайба С 8.01.019
27 2522-6708211 Стекло
27 2522-6708211-A Стекло
27 2522-6708211-AL Стекло
27 2522-6708211-A2 Стекло
28 В-716 Профиль
30 2522-6708952-Б Стекло
31 2522-6708150-01 Фиксатор правый
31 2522-6708150 Фиксатор левый
34 Шайба 16.ОТ Шайба
35 2522-6702400 Установка панели
36 Шайба С 8.01.019 Шайба
37 Гайка М8-6Н.6.019 Гайка М8-6Н.6.019
38 А30.04.017-02 Заказать Колпачок
39 80-6708904-Б Прокладка
40 80-6708903 Заказать Втулка
41 2522-6708914-01 Петля
43 2522-6708914 Петля
44 Шайба 5.65Г.07.6 Шайба
45 923-6707086 Прокладка
46 Болт М6-6дх30.88.35.019 Болт
47 822-8700011 Палец
48 2154 Пневмоподъемник
Содержащиеся в справочниках-каталогах запасные части и детали не предлагаются к продаже, а носят исключительно информационный характер