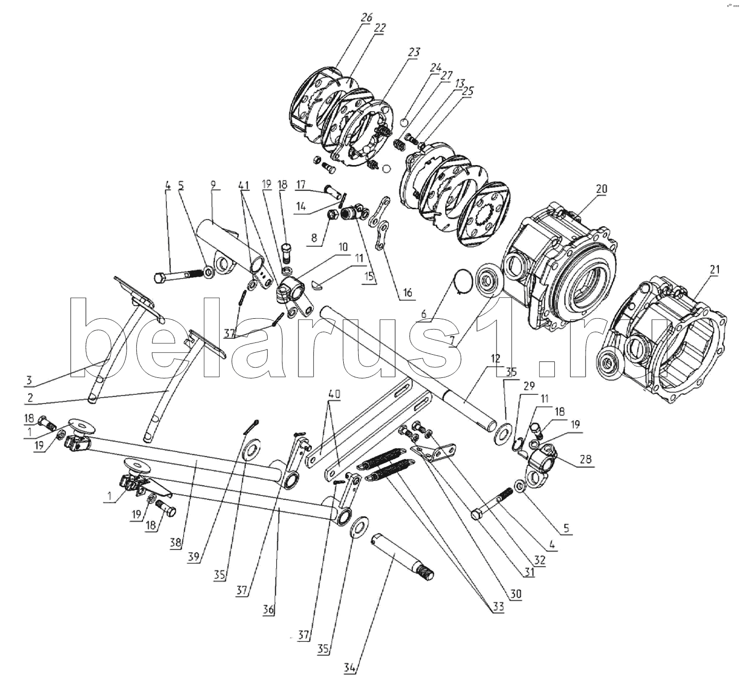
Каталог запасных частей к технике: МТЗ 622. Тормоза. Управление тормозами

1
1
2
3
4
4
5
5
6
7
8
9
10
11
11
12
13
14
15
16
17
18
18
18
18
19
19
19
19
20
21
22
23
24
25
26
27
28
29
30
31
32
33
34
35
35
35
36
37
37
37
38
39
40
41
Позиция на иллюстрации | Заводской номер детали | Название детали | |
---|---|---|---|
322-3503010-02 | 322-3503010-02 | Управление тормозами | |
322-3503010-03 | 322-3503010-03 | Управление тормозами | |
220-3502030 | 220-3502030 | Диск нажимной | |
1 | 80-3503158-А | Заказать | Чехол |
2 | 322-3503060 | Педаль левая | |
3 | 322-3503050 | Педаль правая | |
4 | 220-3503016 | Болт | |
5 | 70-3503018 | Заказать | Шайба |
6 | 2,0-О-СГ | Проволока | |
7 | 50-3003019-А | Чехол | |
8 | М12х1,25-6Н.04.019 | Гайка | |
9 | 622-3503170 | Рычаг | |
10 | 220-3503075 | Рычаг | |
11 | 6х10 | Заклепка | |
12 | 622-3503111 | Валик | |
13 | 220-3502034 | Палец | |
14 | 4х25.019 | Шплинт | |
15 | 220-3502036 | Вилка | |
16 | 220-3502033 | Тяга | |
17 | 12х32 | Палец | |
18 | М12-6gx35.88.35.019 | Болт | |
19 | 12.ОТ | Шайба | |
20 | 622-3502011 | Корпус тормоза | |
21 | 622-3502011-01 | Корпус тормоза | |
22 | 220-3502014 | Диск промежуточный | |
23 | 220-3502031 | Диск нажимной | |
24 | 15.081-100 | Шарик | |
25 | М8-6Н.6.019 | Гайка | |
26 | 320-3502040 | Диск ведущий | |
27 | 220-3502032 | Пружина | |
28 | 220-3503080 | Рычаг | |
29 | С25 | Заказать | Кольцо |
30 | 322-3503014 | Кронштейн | |
31 | М10-6gx25.88.35.019 | Болт | |
32 | 10.ОТ | Шайба | |
33 | 50-1605152 | Заказать | Пружина |
34 | 220-3503013 | Ось | |
35 | 50-3503071 | Шайба | |
36 | 220-3503030-01 | Рычаг левый | |
37 | 4х22.019 | Шплинт | |
38 | 220-3503040 | Рычаг правый | |
39 | 5х36.019 | Шплинт | |
40 | 322-3503112-01 | Пластина | |
41 | С12.01.019 | Шайба |
Содержащиеся в справочниках-каталогах запасные части и детали не предлагаются к продаже, а носят исключительно информационный характер