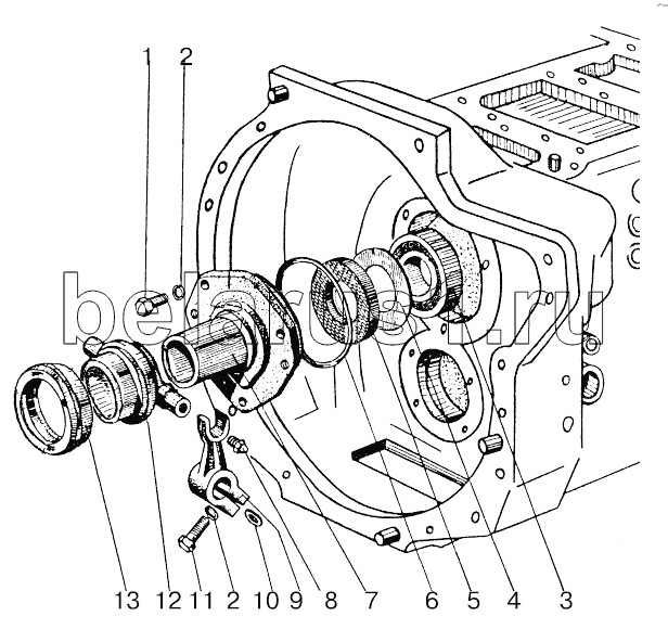
Каталог запасных частей к технике: МТЗ 800/900. Корпус сцепления. Отводка

1
2
2
3
4
5
6
7
8
9
10
11
12
13
Позиция на иллюстрации | Заводской номер детали | Название детали | |
---|---|---|---|
1 | М10x25 | Болт | |
2 | ШП10 | Шайба | |
3 | 60210АУШ1 | Подшипник | |
4 | 50-1601319 | Шайба маслоотражательная | |
5 | 240-1002055 | Заказать | Манжета 2.1-50х70-4 |
6 | 110-115-30-1-4 | Кольцо ГОСТ 9833-73 | |
7 | 50-1601172-А | Заказать Заказать | Кронштейн отводки |
8 | 1.1.Ц6xр | Масленка | |
9 | 50-1601203 | Заказать Заказать | Вилка |
10 | 50-1601218 | Заказать | Шпонка |
11 | М10x30 | Болт | |
12 | 50-1601185-А | Заказать | Отводка |
13 | 986714КС17 | Подшипник упорный |
Содержащиеся в справочниках-каталогах запасные части и детали не предлагаются к продаже, а носят исключительно информационный характер