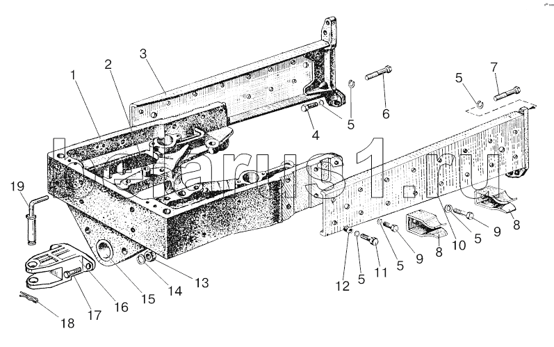
Каталог запасных частей к технике: МТЗ 800/900. Полурама

1
2
3
4
5
5
5
5
5
6
7
8
8
9
9
10
11
12
13
14
15
16
17
18
19
Позиция на иллюстрации | Заводской номер детали | Название детали | |
---|---|---|---|
50-28000010-Б6-01 | 50-28000010-Б6-01 | Полурама | |
1 | 70-2801120-А1 | Заказать | Брус передний с втулками в сборе |
1 | 50-2801124-А2 | Брус передний | |
2 | 50-3405041 | Заказать | Втулка |
3 | 50-2801052-Б2 | Лонжерон правый | |
4 | М16x60 | Болт | |
5 | ШП16 | Шайба | |
6 | М16x120 | Болт | |
7 | М16x150 | Болт | |
8 | 50-3913214 | Зажим | |
9 | М16x32 | Болт | |
10 | 50-2801053-Б2 | Лонжерон левый | |
11 | М16x45 | Болт | |
12 | 50-2800011 | Заказать | Втулка |
13 | М20 | Гайка | |
14 | ШП20 | Шайба | |
15 | 40-3001022 | Заказать Заказать Заказать Заказать | Втулка |
16 | 80-2806011 | Буксир передний | |
17 | 70-4605036 | Заказать | Болт |
18 | А61.07.001 | Заказать Заказать | Шплинт |
19 | 50-4605079-Б | Шкворень |
Содержащиеся в справочниках-каталогах запасные части и детали не предлагаются к продаже, а носят исключительно информационный характер