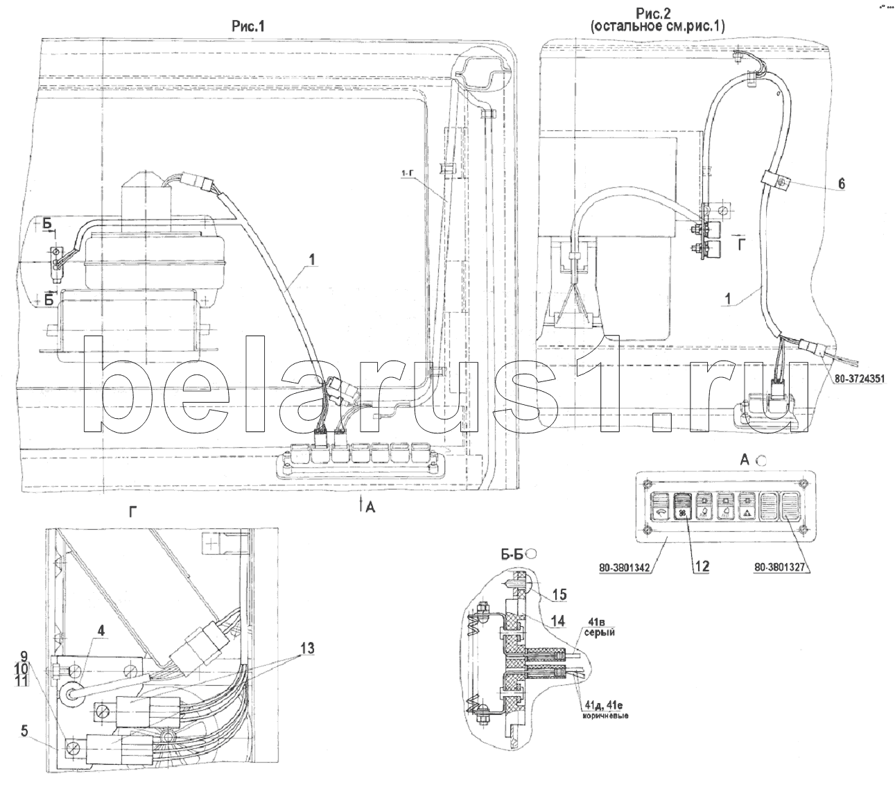
Каталог запасных частей к технике: МТЗ 892. Электрооборудование отопителя

80-3801342
80-3801327
80-3724351
1
1
1
4
5
6
9
10
11
Позиция на иллюстрации | Заводской номер детали | Название детали | |
---|---|---|---|
80-3700090-Ж | 80-3700090-Ж | Электрооборудование отопителя | |
80-3801342 | 80-3801342 | Заказать | Щиток |
80-3801327 | 80-3801327 | Заглушка | |
80-3724351 | 80-3724351 | Жгут | |
80-3700090-Ж-01 | 80-3700090-Ж-01 | Электрооборудование отопителя | |
1 | 80-3724354 | Жгут | |
1 | 80-3724353-Г | Жгут | |
4 | 70-3723042-01 | Втулка | |
5 | 80-3747016 | Кронштейн | |
6 | 1321-8700029 | Хомут | |
9 | В.М6-6gх12.58.019 | Винт | |
10 | М6-6Н.6.019 | Гайка | |
11 | Шайба6Т | Шайба |
Содержащиеся в справочниках-каталогах запасные части и детали не предлагаются к продаже, а носят исключительно информационный характер