Каталог запасных частей к технике: МТЗ 923.5. Кабина. Стекла кабины.

2522-6707035
2522П-6707035
1
1
1
1
1
1
1
2
2
2
2
2
2
2
2
2
2
2
2
2
2
2
3
3
3
3
3
3
3
3
3
3
3
3
3
3
3
4
4
5
5
5
5
6
6
6
6
7
7
8
10
11
12
13
15
16
17
18
18
18
20
20
20
22
23
24
24
25
25
25
25
26
27
27
27
27
27
27
27
28
28
30
31
31
31
35
36
36
37
38
39
40
41
43
43
44
44
44
45
45
45
45
46
46
46
46
46
47
48
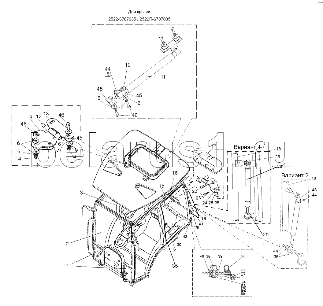
Позиция на иллюстрации | Заводской номер детали | Название детали | |
---|---|---|---|
2522-6707035 | 2522-6707035 | Крыша | |
2522П-6707035 | 2522П-6707035 | Крыша | |
1 | 2522-6703012 | Стекло левое | |
1 | 2522-6703012-A2 | Стекло левое | |
1 | 2522-6703012-AL | Стекло | |
1 | 2522-6703012-A | Стекло левое | |
2 | 2522-6703011-А2.1 | Стекло | |
2 | 2522-6703011-AL | Стекло | |
2 | 2522-6703011-A | Стекло | |
2 | 2522-6703011 | Стекло | |
2 | 2522-6703012-А2-01 | Стекло правое | |
2 | 2522-6703012-AL-01 | Стекло | |
2 | 2522-6703012-А-01 | Стекло | |
2 | 2522-6703012-01 | Стекло правое | |
3 | 2522-6708111-А2-01 | Стекло правое | |
3 | 2522-6708111-AL-01 | Стекло | |
3 | 2522-6708111-01 | Стекло правое | |
3 | 2522-6708111-А2 | Стекло левое | |
3 | 2522-6708111 | Стекло левое | |
3 | 2522-6708111-А-01 | Стекло | |
3 | 2522-6708111-A | Стекло левое | |
3 | 2522-6708111-AL | Стекло | |
4 | М6-6Н.6.019 | Гайка | |
5 | Шайба6Т | Шайба | |
6 | С6.01.019 | Шайба | |
7 | 923-6707087 | Прокладка | |
8 | 822-6707082 | Петля | |
9 | В.М6-6gx25.58.019 | Винт | |
10 | 822-6707075 | Кронштейн | |
11 | 586563 | Пружина газовая | |
12 | 70-6708189 | Заказать | Ось |
13 | 822-6707081 | Петля | |
15 | 1522-8104060 | Решетка | |
16 | 80-8104060 | Заказать | Фильтр |
17 | 822-6708279 | Крышка | |
18 | 2522-6708215 | Дуга | |
20 | 586564 | Пружина газовая 6288 VJ | |
20 | 11.4.6308010 | Заказать | Пружина |
22 | 822-6708270-А | Замок | |
23 | В.М4-6gx10.58.019 | Винт | |
24 | М8-6gx25.88.35.019 | Болт | |
25 | Шайба8Т | Шайба 8Т | |
26 | С8.01.019 | Шайба | |
27 | 2522-6708211-A2 | Стекло | |
27 | 2522-6708211-AL | Стекло | |
27 | 2522-6708211-A | Стекло | |
27 | 2522-6708211 | Стекло | |
28 | В-716 | Профиль | |
30 | 2522-6708952-Б | Стекло | |
31 | 2522-6708150 | Фиксатор левый | |
31 | 2522-6708150-01 | Фиксатор правый | |
34 | 16ОТ | Шайба ОСТ 37.001.115-75 | |
35 | 2522-6702400 | Установка панели | |
36 | С8.01.019 | Шайба | |
37 | М8-6Н.6.019 | Гайка | |
38 | А30.04.017-02 | Заказать | Колпачок |
39 | 80-6708904-Б | Прокладка | |
40 | 80-6708903 | Заказать | Втулка |
41 | 2522-6708914-01 | Петля | |
43 | 2522-6708914 | Петля | |
44 | 5.65Г.07.6 | Шайба | |
45 | 923-6707086 | Прокладка | |
46 | М6-6gх30.88.35.019 | Болт ГОСТ 7796-70 | |
47 | 822-8700011 | Палец | |
48 | 2154 | Пневмоподъемник |
Содержащиеся в справочниках-каталогах запасные части и детали не предлагаются к продаже, а носят исключительно информационный характер