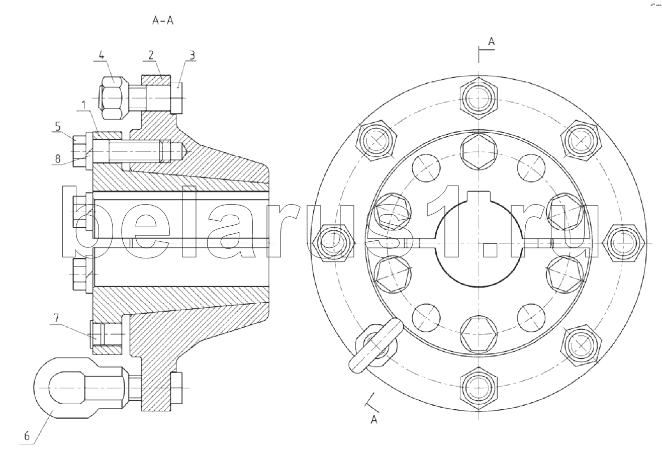
Каталог запасных частей к технике: МТЗ 923.5. Ступицы задних колес

1
2
2
3
4
5
6
7
8
Позиция на иллюстрации | Заводской номер детали | Название детали | |
---|---|---|---|
1075-3104010 | 1075-3104010 | Ступица колеса | |
1 | 1075-3104012 | Вкладыш | |
2 | 1220-3104011 | Ступица | |
3 | 40-3104021 | Заказать Заказать Заказать | Болт |
4 | 36-3104019 | Заказать Заказать Заказать | Гайка |
5 | 70-4605036 | Заказать | Болт |
6 | 70-3101019 | Гайка специальная | |
7 | 80-3405038-03 | Пробка | |
8 | 20ОТ | Шайба |
Содержащиеся в справочниках-каталогах запасные части и детали не предлагаются к продаже, а носят исключительно информационный характер