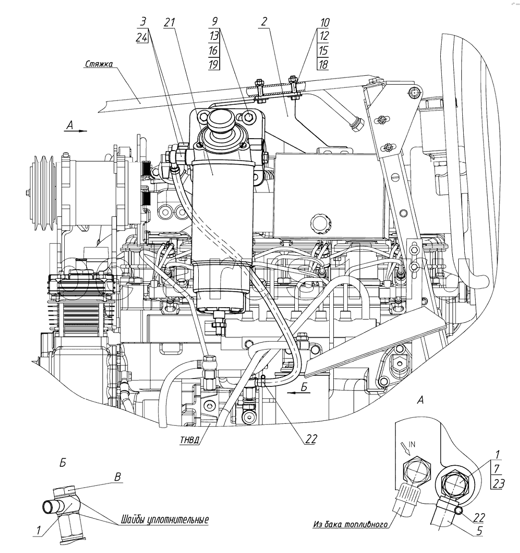
Каталог запасных частей к технике: МТЗ 923.5. Установка топливного фильтра

1
1
2
3
5
7
9
10
12
13
15
16
18
19
21
22
22
23
24
Позиция на иллюстрации | Заводской номер детали | Название детали | |
---|---|---|---|
922-1117100-02 | 922-1117100-02 | Установка топливного фильтра | |
1 | Ф80-3407720 | Заказать | Маслопровод |
2 | 922-1117111 | Кронштейн | |
3 | 1221-1101492 | Штуцер | |
5 | 920-1101162-02 | Трубка | |
7 | Д18-051 | Болт | |
9 | М10-6gх65.88.35.019 | Болт | |
10 | М8-6gх45.88.35.019 | Болт ГОСТ 7796-70 | |
12 | М8-6Н.6.019 | Гайка | |
13 | М10-6Н.6.019 | Гайка | |
15 | С8.01.019 | Шайба | |
16 | С10.01.019 | Шайба | |
18 | Шайба8Т | Шайба 8Т | |
19 | 10ОТ | Шайба ОСТ 37.001.115-75 | |
21 | 2,70666E+12 | Фильтр предварительный | |
22 | TORRO12-20/9-C6W | Хомут «НОРМА» | |
23 | РМ14 | Шайба | |
24 | РМ3/8 | Шайба |
Содержащиеся в справочниках-каталогах запасные части и детали не предлагаются к продаже, а носят исключительно информационный характер