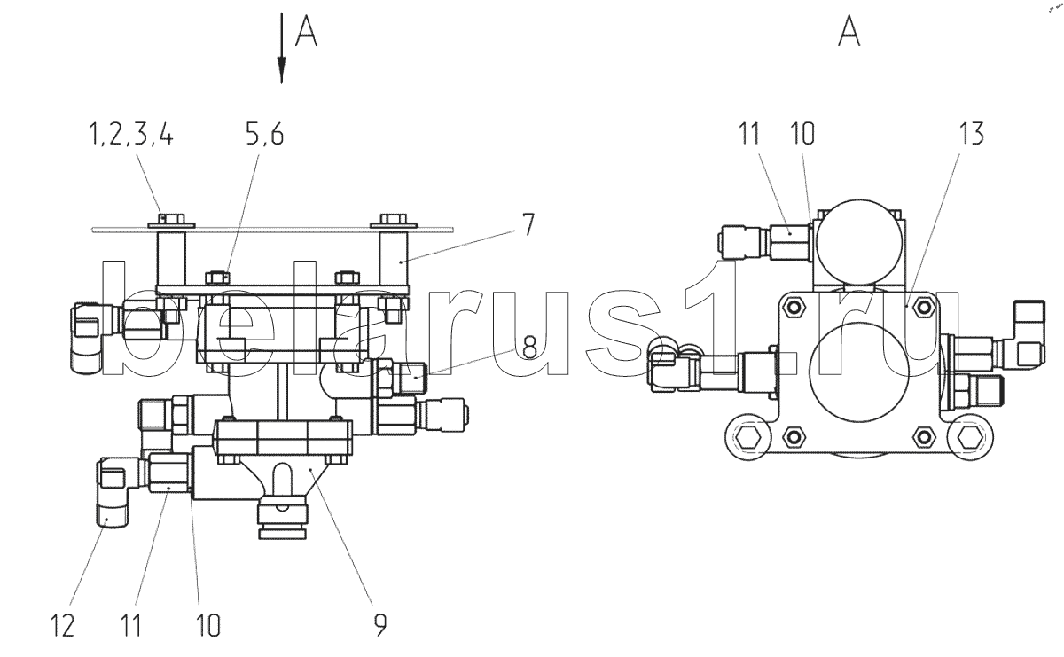
Каталог запасных частей к технике: МТЗ БЕЛАРУС 1221.7. Клапан 1220.7-3531005

1
2
3
4
5
6
7
8
9
10
10
11
11
12
13
Позиция на иллюстрации | Заводской номер детали | Название детали | |
---|---|---|---|
1220.7-3531005 | 1220.7-3531005 | Клапан | |
1 | Болт М10-6gх65.88.35.019 | Болт | |
2 | Гайка М10-6Н.6.019 | Гайка М10-6Н.6.019 | |
3 | Шайба С 10.01.019 | Шайба | |
4 | Шайба 10 ОТ | Шайба | |
5 | Гайка М8-6Н.6.019 | Гайка М8-6Н.6.019 | |
6 | Шайба 8Т | Шайба 8Т | |
7 | 950-8114011-02 | Втулка | |
8 | 1522-3521513 | Штуцер | |
9 | 566710 | Клапан управления тормозами прицепа с двухпроводным приводом | |
10 | 4600.19 | Шайба РМ3/8 | |
11 | 1220.7-3531022 | Штуцер | |
12 | 1522-3514033 | Угольник | |
13 | 1220.7-3531011 | Кронштейн |
Содержащиеся в справочниках-каталогах запасные части и детали не предлагаются к продаже, а носят исключительно информационный характер