Каталог запасных частей к технике: МТЗ БЕЛАРУС 2103. Коробка передач

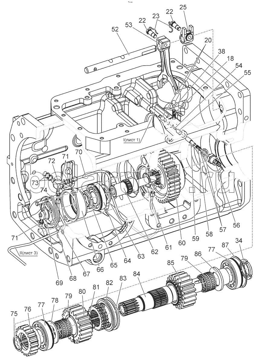
18
20
22
22
23
25
34
38
52
53
54
55
56
57
58
59
60
61
62
63
64
65
66
67
68
69
70
71
71
72
73
74
75
76
77
77
78
79
79
80
81
82
83
84
85
86
87
Позиция на иллюстрации | Заводской номер детали | Название детали | |
---|---|---|---|
2103-1700010 | 2103-1700010 | Коробка передач | |
952-3407100Н-04 | 952-3407100Н-04 | Рукав высокого давления | |
ЗГА 952-3407100-04 | ЗГА 952-3407100-04 | Рукав высокого давления | |
952-3407100Н-02 | 952-3407100Н-02 | Рукав высокого давления | |
ЗГА952-3407100-06 | ЗГА952-3407100-06 | Рукав высокого давления | |
952-3407100Н-06 | 952-3407100Н-06 | Рукав высокого давления | |
PVRM3-103/S-20-12E3A/М | PVRM3-103/S-20-12E3A/М | Клапан пропорциональный | |
WZRS6-02/M2-12-J | WZRS6-02/M2-12-J | Пропорциональный редукционный клапан | |
ЗГА952-3407100-02 | ЗГА952-3407100-02 | Рукав высокого давления | |
2103-1712010 | 2103-1712010 | Распределитель | |
1 | GT-D 109/116; 3.30647.3 | Синхронизатор | |
2 | 2103-1701310-Б | Шестерня | |
3 | Подшипник КК 75х86х40 Е | Подшипни | |
4 | 2102-1701313 | Втулка | |
5 | 1802-1701252 | Вал | |
6 | 6-627613 А1К | Подшипник | |
7 | 1502-1701026 | Корпус | |
8 | Болт М10-6gх20.88.35.019 | Болт М10-6gх20.88.35.019 | |
9 | 4598166067 | Шайба 10ОТ | |
10 | 85-1702043 | Пластина | |
11 | 85-1702042 | Заказать | Ось |
12 | 026-030-25-2-2 | Кольцо | |
13 | 85-1702041 | Коромысло | |
14 | 85-1702050 | Поводок | |
15 | 50-1002318-Б | Заказать | Рым |
16 | Болт М12-6gх25.88.35.019 | Болт | |
17 | 85-1702051 | Шайба | |
18 | 50-1702148-А | Заказать | Пружина фиксатора |
19 | 85-1702048 | Штифт | |
20 | Шарик 10,0-60 | Шарик 10,0-60 | |
21 | 2022-1702037-Б | Поводок | |
22 | 80-1702108 | Заказать | Болт |
23 | Проволока 1,6-О-С | Проволока | |
24 | 1222-1702029 | Заказать | Вилка |
25 | 85-1702045 | Поводок | |
26 | 2022-1702046 | Шток | |
27 | 2025-1701314-Б | Шестерня | |
28 | 2025-1701349-Б | Втулка | |
29 | 1522-1701350 | Втулка | |
30 | 6-67512 АШ2 | Подшипник | |
31 | 1522-1701254-01 | Шайба 0,5 мм | |
32 | 1522-1701254 | Шайба 0,2 мм | |
33 | 1522-1701354 | Заказать | Шайба |
34 | 80-1701045 | Заказать Заказать | Гайка |
35 | 2022-1702038 | Поводок | |
36 | С25 | Заказать | Кольцо |
37 | Болт М12-6gх55.88.35.019 | Болт | |
38 | 80-1704039 | Заказать | Направляющая |
39 | 2103-1701184 | Муфта | |
40 | 80-1702311 | Шайба | |
41 | 2103-1702034 | Вилка | |
42 | 692215 К1М | Подшипник | |
43 | 2103-1701240 | Вал | |
44 | 80-1701205 | Планка | |
45 | 911067 | Болт | |
46 | 2022-1701221 | Заказать | Шестерня |
47 | 2С75 | Кольцо | |
48 | 2103-1701224 | Шестерня | |
49 | 50312 А | Подшипник | |
50 | 80-1701206 | Кольцо | |
51 | 2823-1701049 | Гайка | |
52 | 2022-1702035 | Поводок | |
53 | 2022-1702027 | Вилка | |
54 | 85-1702301 | Ось | |
55 | Шарик 12,7-60 | Шарик | |
56 | ВК 12-41 | Выключатель | |
57 | 50-1702048 | Прокладка | |
58 | 12-23-668-А | Пружина | |
59 | 2022-1702305 | Штифт | |
60 | 2103-1701341 | Шестерня | |
61 | 2022-1701307 | Кольцо | |
62 | 2022-1701325-А | Заказать | Вал |
63 | 2022-1701306-А | Втулка | |
64 | NUP 308 EC | Подшипник | |
65 | 2022-1701049 | Гайка | |
66 | 2022-1701317 | Стакан | |
67 | 2022-1701310 | Стакан | |
68 | 4598166046 | Шайба 8Т | |
69 | Болт М8-6gх25.88.35.019 | Болт | |
70 | 80-1701420 | Заказать | Трубка |
71 | 80-1701549 | Заказать | Штуцер |
72 | 80-1701057 | Заказать | Штуцер |
73 | Д18-055-А | Заказать | Шайба |
74 | 2025-1701430 | Трубопровод | |
75 | С45 | Кольцо | |
76 | 2103-1701344 | Зубчатка | |
77 | 692309 КМ | Подшипник | |
78 | 2022-1701305 | Шайба | |
79 | Подшипник КК 52х60х39 Е | Подшипник | |
80 | 2022-1701351 | Шестерня | |
81 | 54-31-472 | Заказать | Кольцо пружинное |
82 | 2022-1701352 | Втулка | |
83 | 2022-1701343 | Муфта | |
84 | 2022-1701330 | Вал | |
85 | 2103-1701361 | Шестерня | |
86 | 2022-1701339-Б | Втулка | |
87 | 80-1701396 | Кольцо | |
88 | 2103-1701020 | Узел передач | |
89 | 80-1701026 | Прокладка | |
90 | 85-1702026 | Прокладка | |
91 | 4598166068 | Шайба 12ОТ | |
92 | 50-1702092 | Заказать | Болт призонный М12х42 |
93 | Болт М10-6gх35.88.35.019 | Болт | |
94 | 2103-1702010 | Механизм управления | |
95 | 2025-1701531 | Пробка | |
96 | 2025-1701160 | Вал | |
97 | 2102-1701525 | Шпилька | |
98 | Д01-015 | Заказать | Штифт установочный |
99 | Болт М12-6gх30.88.35.019 | Болт | |
100 | 2022-1701454 | Крышка | |
101 | 2022-1701456 | Прокладка | |
102 | 1222-1704010 | Привод насоса | |
103 | 80-1704016 | Прокладка | |
104 | ШЦК 10х25 | Штифт | |
105 | 80-4608021 | Заглушка | |
106 | 027-032-30-1-4 | Кольцо | |
107 | ПК КГ 3/8" | Пробка | |
108 | 1222-1701071 | Штифт | |
109 | Болт М12-6gх100.58.019 | Болт | |
110 | 48А-3801023 | Трубка | |
111 | 70-1115012 | Хомутик | |
112 | 2025-1701525 | Шпилька | |
113 | 2025-1701525-01 | Шпилька | |
114 | 77-4637250 | Фильтр | |
115 | 2103-1701080 | Угольник | |
116 | 952-3407100-04 | Рукав высокого давления | |
117 | 2103-1701060 | Угольник | |
118 | 240-1111103 | Заказать | Болт |
119 | 2103-1701003 | Болт | |
120 | 40-4607038-А | Заказать | Шайба |
121 | Болт М10-6gх25.88.35.019 | Болт М10-6gх25.88.35.019 | |
122 | 2103-1716101-Б | Кронштейн | |
123 | Болт М10-6gх40.88.35.019 | Болт | |
124 | 952-3407100-02 | Рукав высокого давления | |
125 | Д18-051 | Болт | |
126 | 952-3407100-06 | Рукав высокого давления | |
127 | 2103-1701030 | Клапан защитный | |
128 | ДД-20М | Заказать Заказать | Датчик давления |
129 | ДАДМ-05 | Датчик | |
130 | 36-1104788 | Прокладка | |
131 | 2103-1701007 | Переходник | |
132 | 2103-1701070 | Угольник | |
133 | MHDRE06SK3X/20AG12C4V | Клапан пропорциональный | |
134 | 80-1701063 | Пробка | |
135 | 2103-1712011 | Корпус | |
136 | 009-012-19-2-4 | Кольцо | |
137 | ДСДМ-М | Заказать | Датчик сигнализатора давления |
138 | 80-4801214-Б | Пробка | |
139 | Болт М8-6gх80.88.35.019 | Болт | |
140 | 2025-1712012 | Прокладка | |
141 | 80-1737112 | Прокладка | |
142 | 2103-1737110 | Фильтр-распределитель | |
143 | Болт М10-6gх65.88.35.019 | Болт | |
144 | 80-1716010 | Заказать | Фильтр в сборе |
145 | 80-1716016 | Прокладка | |
146 | Болт М6-6gх16.88.35.019 | Болт М6-6gх16.88.35.019 | |
147 | 4598166045 | Шайба 6Т | |
148 | КГ 1/8". А12.019 | Пробка | |
149 | 1502-1700210 | Кожух | |
150 | ДГС-М-101-12-01 | Датчик гидросигнализатор | |
151 | МЛ131-1700009 | Крышка | |
152 | 80-1701399-Б | Прокладка | |
153 | 2022-2412007 | Штуцер | |
154 | 1021-4803158 | Переходник | |
155 | 017-022-30-1-4 | Кольцо | |
156 | 2103-1701090 | Угольник |
Содержащиеся в справочниках-каталогах запасные части и детали не предлагаются к продаже, а носят исключительно информационный характер