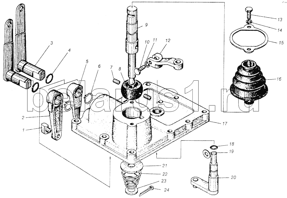
Каталог запасных частей к технике: МТЗ-082. Крышка КП 082-1702

1
2
3
4
5
6
7
8
9
10
11
12
13
14
15
16
17
18
19
20
21
22
23
24
Позиция на иллюстрации | Заводской номер детали | Название детали | |
---|---|---|---|
1 | 05-4216013 | Сухарь | |
2 | 082-1702018 | Рычаг | |
3 | 082-1702030 | Рычаг | |
4 | 013-017-25 | Кольцо ГОСТ 9833-73 | |
5 | 082-1702026 | Поводок | |
6 | 2В16 | Кольцо | |
7 | 6х-20 | Штифт ГОСТ 3128-70 | |
8 | 082-1702038 | Сфера | |
9 | 082-1702086 | Рычаг | |
10 | М8-6gх25.88.35.019 | Болт | |
11 | 8Т | Шайба | |
12 | 05-2409011 | Рычаг | |
13 | М8-6gх16.88.35.019 | Болт | |
14 | 6Т | Шайба | |
15 | 80С-1702075 | Шайба | |
16 | 55-47-569-А | Чехол | |
17 | 082-1702011 | Крышка | |
18 | 011-014-19 | Кольцо ГОСТ 9833-73 | |
19 | 50-1108044 | Шпонка | |
20 | 082-1702060 | Вал блокировки | |
21 | А12.01.019 | Шайба ГОСТ 6958-78 | |
22 | 70-2805048 | Пружина | |
23 | А12.01.019 | Шайба ГОСТ 6958-78 | |
24 | 4,0х22.019 | Шплинт ГОСТ 397-73 |
Содержащиеся в справочниках-каталогах запасные части и детали не предлагаются к продаже, а носят исключительно информационный характер