Каталог запасных частей к технике: МТЗ-082. Привод насоса 082-4604

1
2
3
4
5
6
7
8
9
10
11
12
13
13
14
15
16
17
18
19
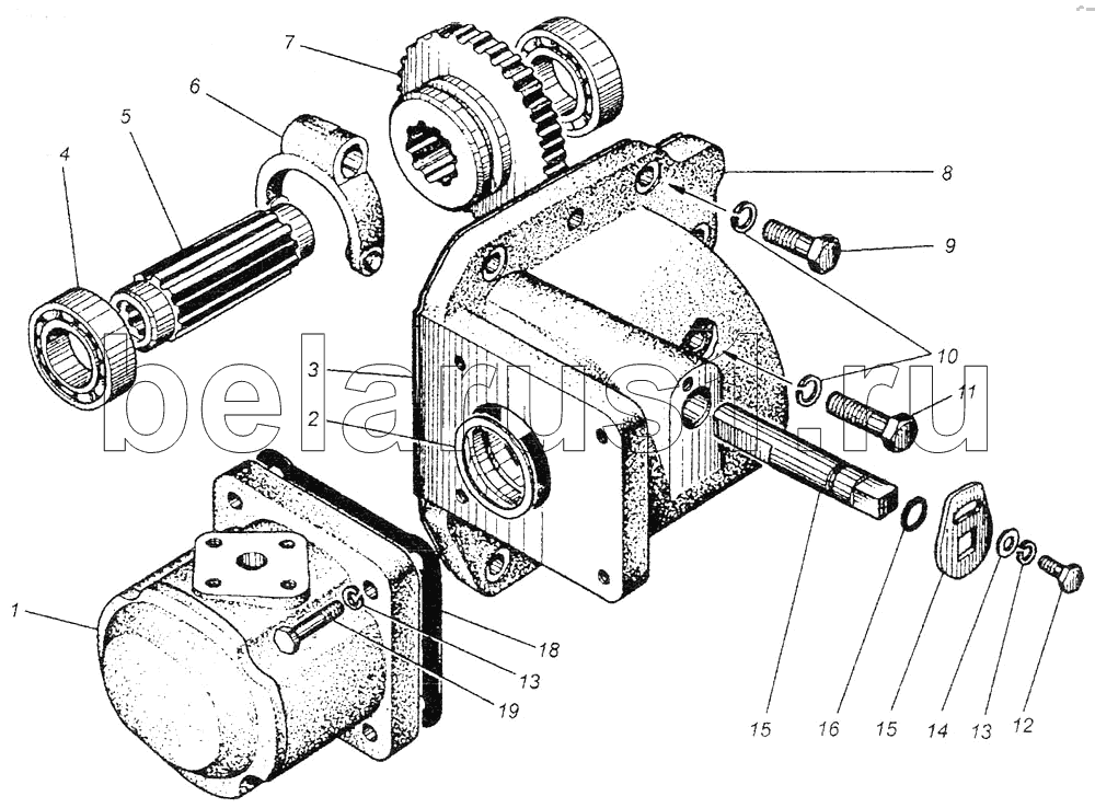
Позиция на иллюстрации | Заводской номер детали | Название детали | |
---|---|---|---|
1 | НШ6-3-Л | Насос шестеренный | |
2 | 082-4604017 | Кольцо | |
3 | 082-1701013 | Прокладка | |
4 | 6.1000805 | Подшипник ГОСТ 8338-75 | |
5 | 082-4604013 | Вал | |
6 | 082-4604020 | Вилка | |
7 | 082-4604012 | Шестерня | |
8 | 082-4604011 | Корпус | |
9 | М8-6gх25.88.35.019 | Болт | |
10 | 8Т | Шайба | |
11 | М8-6gх30.88.35.019 | Болт | |
12 | М3-6gх16.88.35.019 | Болт ГОСТ 7798-70 | |
13 | 6Т | Шайба | |
14 | 6.01.019 | Шайба ГОСТ 11371-78 | |
15 | 082-4604016 | Пластина | |
16 | 011-015-25 | Кольцо ГОСТ 9833-73 | |
17 | 082-4604014 | Ось | |
18 | 082-4604022 | Прокладка | |
19 | М6-6gх30.88.35.019 | Болт ГОСТ 7796-70 |
Содержащиеся в справочниках-каталогах запасные части и детали не предлагаются к продаже, а носят исключительно информационный характер