Каталог запасных частей к технике: МТЗ-082. Шарнирная рама 082-2816

1
2
2
3
3
4
4
5
6
7
7
8
9
9
10
11
12
13
14
15
16
17
18
18
19
19
19
20
21
22
23
24
25
26
27
28
29
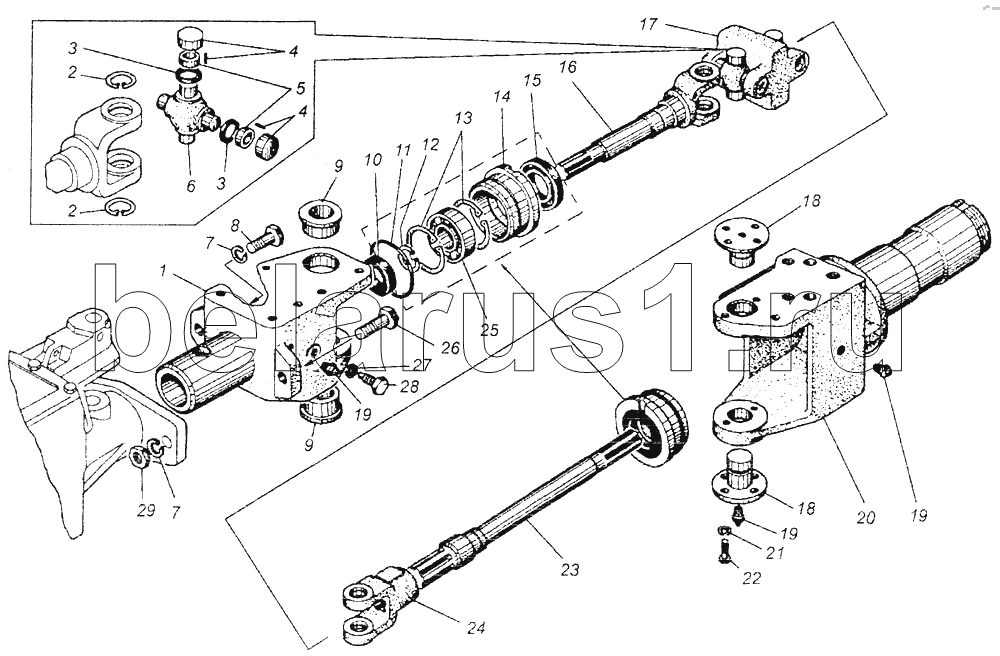
Позиция на иллюстрации | Заводской номер детали | Название детали | |
---|---|---|---|
1 | 082-2816103 | Фланец | |
2 | Б19 | Кольцо | |
3 | 50-3401064 | Сальник | |
4 | 904700УС17 | Подшипник | |
5 | 50-3401063 | Обойма | |
6 | 50-3401062 | Заказать Заказать Заказать | Крестовина |
7 | 12Т | Шайба ОСТ 37.001.115-75 | |
8 | М12-6gх40.88.35.019 | Болт ГОСТ 7796-70 | |
9 | 082-2816106 | Втулка | |
10 | 2,2-25х42 | Манжета ГОСТ 8752-79 | |
11 | 062-066-25 | Кольцо ГОСТ 9833-73 | |
12 | 2Б25 | Кольцо | |
13 | 2В52 | Кольцо ГОСТ 13943-86 | |
14 | 082-2816104 | Стакан | |
15 | 2,2-30х52 | Манжета ГОСТ 8752-79 | |
16 | 082-2816105 | Вилка | |
17 | 85-3401067 | Заказать | Вилка |
18 | 082-2816107 | Палец | |
19 | 1,1УХЛ | Масленка | |
20 | 082-2816102 | Вилка | |
21 | 8Т | Шайба | |
22 | М8-6gх16.88.35.019 | Болт | |
23 | 082-2816111 | Вал | |
24 | 082-2816109 | Вилка | |
25 | 205К | Шарикоподшипник | |
26 | 50-1702092 | Заказать | Болт призонный М12х42 |
27 | 10Т | Шайба ОСТ 37.001.115-75 | |
28 | 082-2816122 | Болт | |
29 | М12-6Н.6.019 | Гайка |
Содержащиеся в справочниках-каталогах запасные части и детали не предлагаются к продаже, а носят исключительно информационный характер