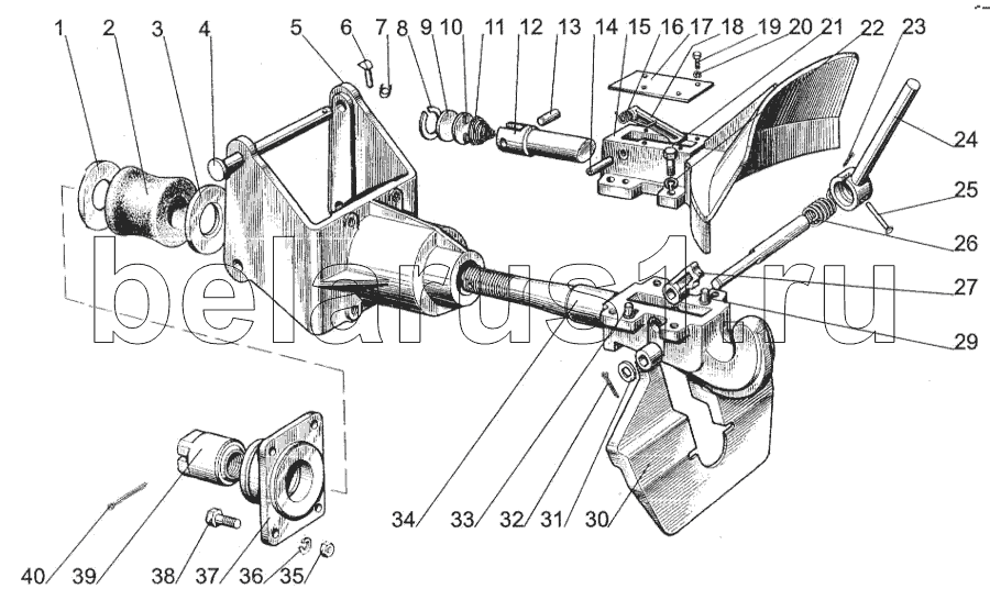
Каталог запасных частей к технике: МТЗ-1005. Буксирное устройство

70-2805005
70-2805015
1
2
3
4
5
6
7
8
9
10
11
12
13
14
15
15
16
17
18
19
20
21
22
23
24
25
26
27
29
30
31
32
33
34
34
35
36
37
38
39
40
Позиция на иллюстрации | Заводской номер детали | Название детали | |
---|---|---|---|
70-2805005 | 70-2805005 | Буксирное устройство в сборе | |
70-2805015 | 70-2805015 | Буксир в сборе | |
1 | 70-2805053 | Фланец | |
2 | 130-2805215-В | Буфер | |
3 | 70-2805054 | Фланец | |
4 | Н70-2805071 | Палец | |
5 | 70-2805011-Б | Кронштейн | |
6 | А61.05.005 | Заказать | Чека |
7 | А61.05.004 | Кольцо | |
8 | В42 | Кольцо | |
9 | 70-2805047 | Заглушка | |
10 | 70-2805027 | Шайба | |
11 | 70-2805048 | Пружина | |
12 | 70-2805044 | Палец | |
13 | 70-2805037 | Палец | |
14 | 70-2805036 | Штифт | |
15 | 70-2805030 | Корпус | |
15 | 70-2805025 | Корпус в сборе | |
16 | 70-2805046 | Пружина | |
17 | 70-2805034 | Пластина | |
18 | 70-2805049 | Упор | |
19 | М6х10 | Болт | |
20 | ШП6 | Шайба | |
21 | М12х30 | Болт | |
22 | ШП12 | Шайба | |
23 | 3,2х18 | Шплинт | |
24 | 70-2805050 | Рукоятка | |
25 | 8х65 | Заказать | Палец |
26 | 70-2805024 | Пружина | |
27 | 70-2805023 | Ось | |
28 | 70-2805022 | Рычаг | |
29 | 52-2308094 | Заказать | Штифт |
30 | 70-2805040 | Ловитель | |
31 | 70-2805026 | Шайба | |
32 | 3,2х25 | Шплинт | |
33 | 12-12-306 | Кольцо | |
34 | 70-2805021 | Крюк | |
34 | 70-2805020 | Крюк в сборе | |
35 | М16 | Гайка | |
36 | ШП16 | Шайба | |
37 | 70-2805052-Б | Крышка | |
38 | М16х50 | Болт | |
39 | 70-2805056 | Гайка | |
40 | 6,3х63 | Шплинт |
Содержащиеся в справочниках-каталогах запасные части и детали не предлагаются к продаже, а носят исключительно информационный характер