Каталог запасных частей к технике: МТЗ-1005. Головка цилиндров. Клапаны и толкатели клапанов

1
1
1
2
3
4
5
6
7
8
9
10
10
11
11
11
11
11
11
11
11
12
13
14
15
16
17
18
19
20
21
22
23
24
25
26
27
28
29
29
30
30
31
32
33
34
35
36
36
37
38
39
40
41
42
43
44
45
46
47
48
49
50
50
51
51
52
53
54
55
56
57
58
59
59
60
61
62
62
63
63
64
65
65
66
66
67
68
69
70
71
72
73
74
75
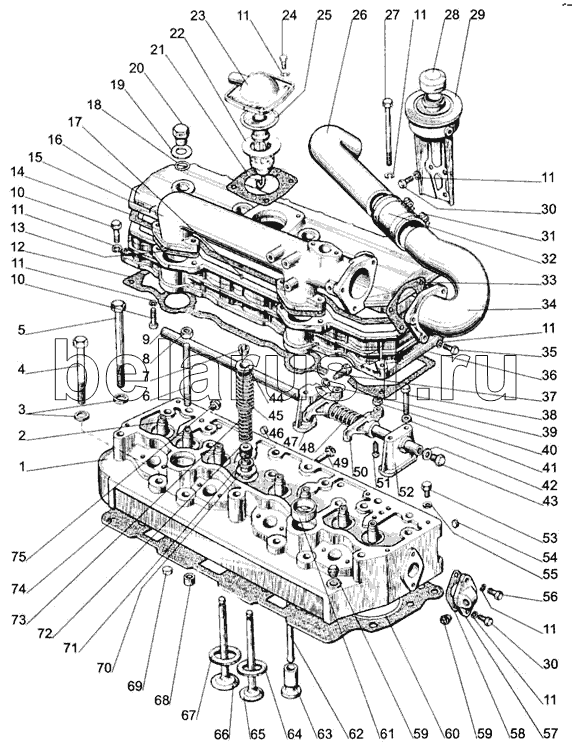
Позиция на иллюстрации | Заводской номер детали | Название детали | |
---|---|---|---|
240-1007151-В | 240-1007151-В | Стойка передняя | |
240-1007152-В | 240-1007152-В | Стойка средняя вторая | |
1 | 245-1003013-А-03 | Головка цилиндров | |
1 | 245-1003012 | Заказать | Головка цилиндров в сборе |
1 | 245-1003015-А-01 | Головка цилиндров | |
2 | 240-1007032-В-01 | Втулка направляющая | |
3 | 48-1002318 | Заказать | Шайба |
4 | 240-1002047-01 | Заказать | Болт |
5 | 240-1002047 | Заказать | Болт |
6 | 50-1003112 | Заказать | Шпилька |
7 | 50-1007053-А1 | Заказать | Сухарь клапана |
8 | М12 | Гайка | |
9 | 50-1007102-А | Заказать | Ось |
10 | М8х35 | Болт | |
11 | ШП8 | Шайба | |
12 | 240-1003108 | Заказать Заказать Заказать | Прокладка |
13 | 240-1003031 | Прокладка | |
14 | 240-1003109 | Заказать Заказать Заказать Заказать | Прокладка |
15 | 245-1003033-А-06 | Коллектор | |
16 | 245-1003122-02 | Колпак | |
17 | 2,5х10 | Штифт | |
18 | 50-1003107-А-01 | Кольцо | |
19 | 50-1003106 | Заказать | Шайба |
20 | 50-1003104-А | Гайка колпака | |
21 | 240-1002444-А | Прокладка | |
22 | 245-1014440 | Заказать | Стакан |
23 | 245-1002430-02 | Корпус сапуна | |
24 | М8х16 | Болт | |
25 | 245-1014445 | Маслоотражатель | |
26 | 245-2451003036-В | Патрубок | |
27 | М8х80 | Болт | |
28 | 240-3707200-01 | Пробка | |
29 | 242-3707140-А-01 | Бачок | |
29 | 245-3707220-А | Бачок с пробкой | |
30 | М8х20 | Болт | |
31 | 50-70 | Хомут фирмы Nоrmа | |
32 | 50-61-70-0,2 | Рукав | |
33 | 240-1003264-А | Заказать | Прокладка |
34 | 245-1003035-В | Патрубок | |
35 | М8х30 | Болт | |
36 | 245-1003030-08 | Крышка головки цилиндров | |
36 | 240-1003032-А-02 | Крышка | |
37 | 240-1007185 | Фиксатор | |
38 | М12х85 | Болт | |
39 | ШП10 | Шайба | |
40 | Д02-063 | Заказать | Гайка |
41 | ШЧ12 | Шайба | |
42 | 50-1007183 | Шайба пробки | |
43 | 50-1007182 | Пробка оси коромысел | |
44 | 240-1007048 | Заказать | Тарелка |
45 | 240-1007045-А1 | Пружина клапана | |
46 | Д02-003-А | Заказать | Заглушка |
47 | 240-1007152-В-01 | Стойка оси коромысел средняя | |
48 | 50-1007103-А | Пружина оси коромысел | |
49 | М12х35 | Болт | |
50 | 50-1007212-А3 | Заказать | Коромысло |
50 | 50-1007212-А4 | Заказать | Коромысло клапана со втулкой |
51 | 50-1007175-В1 | Винт регулировочный | |
51 | 50-1007170-В | Винт регулировочный с гайкой | |
52 | 240-1007151-В-01 | Стойка оси коромысел крайняя | |
53 | 240-1003281 | Пробка | |
54 | 240-1003037 | Заказать | Заглушка |
55 | 36-1104788-01 | Прокладка | |
56 | М8х25 | Болт | |
57 | 70-8115022-А | Заказать Заказать | Патрубок |
58 | 50-1015598 | Прокладка патрубка | |
59 | КГ 3/8 | Пробка | |
60 | Ф-4.118,3 | Кольцо | |
61 | 50-1003103-А | Стакан | |
62 | 240-1007310-В1 | Штанга | |
62 | 240-1007310-В | Штанга | |
63 | 240-1007375-А1 | Толкатель клапана | |
63 | 240-1007375-А | Толкатель | |
64 | 245-1003018 | Седло впускного клапана | |
65 | 240-1007015-В7 | Клапан выпускной | |
65 | 240-1007015-В6 | Клапан выпускной | |
66 | 240-1007014-В7 | Клапан впускной | |
66 | 240-1007014-В4 | Клапан впускной | |
67 | 245-1003019 | Седло выпускного клапана | |
68 | 240-1003029 | Заказать | Втулка |
69 | 240-1003027 | Заказать | Заглушка |
70 | 240-1007054 | Шайба | |
71 | 240-1007055 | Шайба | |
72 | 240-1007020 | Заказать Заказать | Манжета |
73 | 240-1007046-А1 | Пружина клапана | |
74 | 50-1003020-А2-01 | Прокладка | |
75 | М12х85 | Болт |
Содержащиеся в справочниках-каталогах запасные части и детали не предлагаются к продаже, а носят исключительно информационный характер