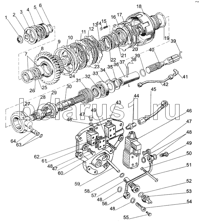
Каталог запасных частей к технике: МТЗ-1005. Привод переднего ведущего моста

1221-1802010
1
2
3
4
5
6
7
8
9
10
11
12
13
14
15
16
17
18
19
20
21
22
23
24
25
26
27
28
29
30
31
32
33
34
35
36
37
38
39
39
40
41
42
43
44
45
46
47
47
47
48
48
48
48
48
49
49
50
51
52
53
54
55
56
57
58
59
60
61
62
63
64
Позиция на иллюстрации | Заводской номер детали | Название детали | |
---|---|---|---|
1221-1802010 | 1221-1802010 | Привод переднего ведущего моста | |
1221-1802030 | 1221-1802030 | Заказать | Фрикцион |
1221-1802040 | 1221-1802040 | Шестерня | |
1 | 1221-1802023 | Заказать | Гайка |
2 | 1221-1802019 | Заказать | Шайба |
3 | 86-1802024-А | Втулка | |
4 | В72 | Кольцо | |
5 | 6-50306К | Подшипник | |
6 | 86-1802043 | Заказать | Шайба |
7 | 206 | Заказать Заказать | Подшипник ГОСТ 8338-75 |
8 | 1221-1802041 | Заказать | Шестерня |
9 | В135 | Кольцо | |
10 | 86-1802034 | Заказать | Диск упорный |
11 | 86-1802032 | Заказать Заказать | Диск ведомый |
12 | 1221-1802032 | Заказать | Диск ведомый |
13 | В48 | Кольцо | |
14 | 86-1802039 | Направляющая | |
15 | 86-1802048 | Пружина | |
16 | 1221-1802031 | Поршень | |
17 | 86-1802047 | Кольцо | |
18 | 1221-1802036 | Заказать | Барабан |
19 | 86-1802083-А | Заказать | Кольцо |
20 | 150.37.333-А | Кольцо | |
21 | 86-1802038 | Пружина | |
22 | 86-1802046 | Стакан | |
23 | 86-1802035-А | Диск ведущий | |
24 | 1221-1802044 | Заказать | Втулка |
25 | В62 | Кольцо | |
26 | 86-1802049 | Кольцо | |
27 | 1221-1802025 | Заказать | Обойма |
28 | 86-1802028 | Заказать | Втулка |
29 | 8020-1802026 | Полумуфта | |
30 | 1221-1802013-Б | Заказать | Вал |
31 | 86-1802027 | Пружина | |
32 | 86-1802015 | Заказать | Обойма 86-1802011 со втулкой в сборе |
33 | 207К | Подшипник | |
34 | 86-1802052 | Шайба | |
35 | 52-2308097 | Заказать Заказать Заказать | Гайка |
36 | 86-1802014-В | Втулка | |
37 | 8х40 | Штифт | |
38 | 1,6-0-С | Проволока | |
39 | 86-1802017-В | Кольцо | |
40 | 1221-1802042 | Заказать Заказать Заказать | Вал |
41 | 86-1802088 | Заказать | Угольник |
42 | 86-1802055 | Заказать | Трубопровод |
43 | 1221-1802016 | Заказать | Крышка |
44 | 70-2409037 | Заказать | Штуцер |
45 | 1221-1802060 | Трубопровод | |
46 | RH 06101-012/00GAM | Распределитель | |
47 | 50-1117028 | Пробка | |
48 | Д18-055-А | Заказать | Шайба |
49 | Д18-051 | Болт | |
50 | ШП5 | Шайба | |
51 | М5х50 | Винт | |
52 | 50-1702048 | Прокладка | |
53 | ВК12-3М (ВК-12-5) | Выключатель | |
54 | 1520-1802088 | Болт | |
55 | КГ 1/8 | Пробка | |
56 | 1221-1802050 | Трубопровод | |
57 | 8020-1802018 | Направляющая | |
58 | 018-022-25-2-3 | Кольцо | |
59 | 8020-1802029 | Заказать | Толкатель |
60 | М5х16 | Винт | |
61 | 1221-1802012 | Крышка | |
62 | 1025-1802019 | Прокладка | |
63 | 011-016-30-2-4 | Кольцо | |
64 | 1221-1802054 | Заказать | Втулка |
Содержащиеся в справочниках-каталогах запасные части и детали не предлагаются к продаже, а носят исключительно информационный характер