Каталог запасных частей к технике: МТЗ-1005. Регулятор частоты вращения

4УТНМ-Т-1110010-01
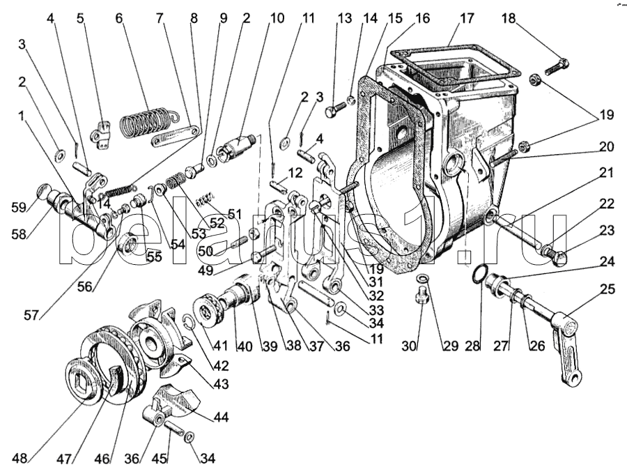
1
2
2
2
3
3
4
4
5
6
7
8
9
10
11
11
12
13
14
15
16
17
18
19
19
20
21
22
23
24
25
26
27
28
29
30
31
31
32
33
33
34
34
36
36
37
37
38
39
40
41
42
43
43
44
44
45
46
47
48
49
50
51
52
53
54
55
56
57
58
59
Позиция на иллюстрации | Заводской номер детали | Название детали | |
---|---|---|---|
4УТНМ-Т-1110010-01 | 4УТНМ-Т-1110010-01 | Регулятор в сборе | |
4УТНМ-Т-1110020 | 4УТНМ-Т-1110020 | Корпус в сборе | |
УТН-5-1110230-В3 | УТН-5-1110230-В3 | Корректор в сборе | |
1 | УТН-5-1110155-Г5 | Рычаг | |
2 | УТН-5-1110232 | Прокладка | |
3 | 2х10 | Шплинт | |
4 | ОНМ-087 | Палец | |
5 | УТН-3-1110171-Г | Серьга | |
6 | УТН-5-1110187-Д | Пружина | |
7 | 4УТН-1110304 | Тяга | |
8 | УТН-5-1110193 | Пружина | |
9 | УТН-5-1110233-Б2 | Шток | |
10 | УТН-5-1110231-Б | Корпус | |
11 | 2х16 | Шплинт | |
12 | УТН-5-1110403 | Палец | |
13 | М6х25 | Винт | |
14 | ШП6 | Шайба | |
15 | УТН-5-1110303-01 | Прокладка | |
16 | 4УТНМ-1110025-30 | Корпус регулятора | |
17 | УТН-5-1110302-А | Прокладка | |
18 | 3М6х25 | Болт | |
19 | М6 | Гайка | |
20 | УТН-5-1110401-Б3 | Винт | |
21 | 4УТНМ-1110365 | Ось рычагов | |
22 | Д40-1110386-А | Прокладка | |
23 | УТН-5-1110409 | Заглушка | |
24 | УТН-5-1110321-Б1 | Втулка | |
25 | УТН-5-1110308-Д | Рычаг управления | |
26 | УТН-5-1110323-Б | Обойма | |
27 | 17-004-А | Сальник | |
28 | 16-240 | Кольцо уплотнительное | |
29 | ОНМ-086-1 | Прокладка | |
30 | ОНМ-019-2 | Болт | |
31 | 4УТНМ-Т-1110274-11 | Рычаг основной | |
31 | УТН-5-1110290-А | Рычаг УТН-5-1110274-А со втулкой в сборе | |
32 | УТН-3-1110026 | Упор | |
33 | ОНМ-170 | Втулка | |
33 | УТН-5-1110320-В | Втулка с сальником и обоймой в сборе | |
34 | УТН-5-1110242-Б | Шайба | |
35 | УТН-5-1110191 | Ось ролика | |
36 | УТН-5-1110166 | Втулка | |
37 | УТН-5-1110200-В | Рычаг УТН-5-1110195-К со втулкой в сборе | |
37 | УТН-5-1110195-К | Рычаг | |
38 | УТН-5-1110153-Г2 | Пята | |
39 | УТН-3-1110144-Б1 | Муфта | |
40 | УТН-3-1110145 | Втулка | |
41 | 17-031-1 А | Подшипник 8202U | |
42 | УТН-3-1110311-Б | Кольцо | |
43 | УТН-5-1110240-1 | Ступица | |
43 | УТН-5-1110132-М3 | Ступица | |
44 | УТН-5-1110160-Е | Груз со втулкой в сборе | |
44 | УТН-5-1110165-Е | Груз | |
45 | УТН-5-1110241 | Ось грузов | |
46 | 8110 | Шарикоподшипник ГОСТ 6874-75 | |
47 | 236-1110517-В2 | Сухарь | |
48 | УТН-5-1110251-Г2 | Шайба | |
49 | М6х20 | Винт | |
50 | УТН-5-1110196-А | Шпилька | |
51 | 4УТНМ-1110446 | Пружина | |
52 | УТН-5-1110234-Д | Пружина | |
53 | УТН-5-1110238-А1 | Тарелка | |
54 | УТН-5-1110237 | Скоба | |
55 | УТН-5-1110235-В2 | Винт | |
56 | УТН-5-1110281-В | Втулка | |
57 | М6х12 | Винт | |
58 | 4УТНМ-1110021-Е | Втулка | |
59 | 17-071 | Заглушка |
Содержащиеся в справочниках-каталогах запасные части и детали не предлагаются к продаже, а носят исключительно информационный характер