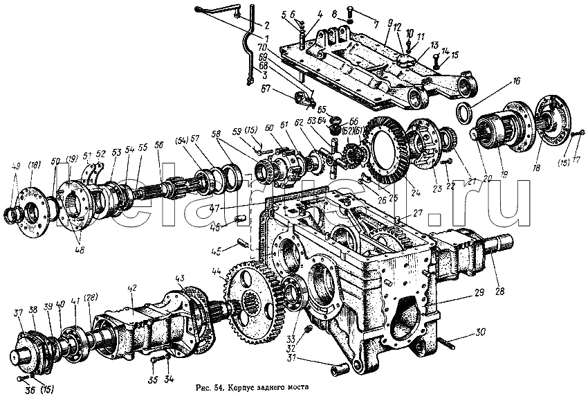
Каталог запасных частей к технике: МТЗ-100. Корпус заднего моста
1
2
3
4
5
6
7
8
9
10
11
12
13
14
15
15
15
15
16
17
18
18
19
19
20
21
22
23
24
25
26
27
28
28
29
30
31
32
33
34
35
36
37
38
39
40
41
42
43
44
45
46
47
48
49
50
51
52
53
54
54
55
56
57
58
59
60
61
61
62
62
63
64
65
66
67
68
69
70
| Позиция на иллюстрации | Заводской номер детали | Название детали | |
|---|---|---|---|
| 50-2401040 | 50-2401040 | Валик управления в сборе | |
| 85-2403055 | 85-2403055 | Сателлит со втулкой в сборе | |
| 85-2407020 | 85-2407020 | Рукав полуоси в сборе | |
| 85-2407030-А | 85-2407030-А | Крышка рукава с манжетой в сборе | |
| 50-2401015 | 50-2401015 | Заказать | Корпус заднего моста в сборе |
| 85-2403015 | 85-2403015 | Корпус дифференциала в сборе | |
| 85-2403014-А | 85-2403014-А | Комплект шестерен главной передачи | |
| 85-2401010 | 85-2401010 | Задний мост в сборе | |
| 85-2403010 | 85-2403010 | Заказать | Дифференциал в сборе |
| 85-2407060-01 | 85-2407060-01 | Стакан в сборе | |
| 1 | 36-1310139 | Шарик | |
| 2 | 85-2401080 | Рычаг | |
| 3 | 85-2401050 | Заказать | Стойка |
| 4 | 50-2401019-Б | Заказать | Валик управления |
| 5 | 020-025-30-1-4 | Кольцо | |
| 6 | 50-2401031 | Шайба | |
| 7 | М20х60 | Болт | |
| 8 | ШП20 | Шайба | |
| 9 | 85-2401024 | Крышка | |
| 10 | М10х25 | Болт | |
| 11 | ШП10 | Шайба | |
| 12 | 85-2401026 | Крышка | |
| 13 | 85-4616031 | Прокладка | |
| 14 | М12х40 | Болт | |
| 15 | ШП12 | Шайба | |
| 16 | 85-2407043 | Заказать | Кольцо |
| 17 | М12х35 | Болт | |
| 18 | 50-2407059-А | Заказать | Крышка стакана |
| 19 | 50Х-2407042 | Заказать | Стакан подшипников |
| 20 | 70-2407053-05 | Шестерня | |
| 21 | 7515-А | Подшипник | |
| 22 | 50-1702092 | Заказать | Болт призонный М12х42 |
| 23 | 85-2403018 | Корпус | |
| 24 | 50-2403021-Б | Шестерня ведомая главной передачи (в запасные части поставляется только в комплекте 50-2403014-А) | |
| 25 | 50-2403023 | Пластина стопорная | |
| 26 | М12 | Гайка | |
| 27 | Д01-015 | Заказать | Штифт установочный |
| 28 | 85-2047082 | Полуось | |
| 29 | 50-2401015-1 | Корпус | |
| 30 | 50-2401028 | Шпилька | |
| 31 | 80-2401032 | Заказать | Втулка |
| 32 | ПСМ1,1/4" | Пробка магнитная | |
| 33 | 314 | Заказать Заказать | Подшипник |
| 34 | ШП16 | Шайба | |
| 35 | М16х50 | Болт | |
| 36 | М12х30 | Болт | |
| 37 | 50-2407028-А | Крышка | |
| 38 | 50-2407029 | Прокладка | |
| 39 | 2-80х105-1 | Манжета | |
| 40 | В85 | Кольцо | |
| 41 | 217КБ | Подшипник | |
| 42 | 50-2407018-А | Рукав полуоси | |
| 43 | 50-2407031-Б | Прокладка | |
| 44 | 50-2407122-02 | Шестерня ведомая | |
| 45 | 50-4605027 | Заказать | Штифт |
| 46 | 36-3502037-А | Заказать | Втулка |
| 47 | 50-2401016-Б | Прокладка | |
| 48 | 50-1601352 | Заказать | Штифт |
| 49 | 2-50х70-1 | Манжета | |
| 50 | 104-110-40-1-4 | Кольцо | |
| 51 | 50-2407056 | Заказать | Прокладка (0,5 мм) |
| 52 | 50-2407057 | Заказать | Прокладка (0,2 мм) |
| 53 | 160-165-36-1-4 | Кольцо | |
| 54 | 6-42212КМ | Подшипник | |
| 55 | 035-040-30-1-4 | Кольцо | |
| 56 | 70-2407053-04 | Заказать | Шестерня |
| 57 | 50-2407043 | Кольцо упорное | |
| 58 | 7215НК1 | Подшипник | |
| 59 | 50-2403034 | Заказать | Болт |
| 60 | 85-2403019 | Крышка | |
| 61 | 50-2403049-Б | Шайба опорная | |
| 62 | 50-2403048 | Заказать Заказать | Шестерня полуосевая |
| 63 | 50-2403062-А2 | Крестовина | |
| 64 | 85-2403057 | Сателлит | |
| 65 | 85-2403025 | Заказать | Шайба опорная |
| 66 | 85-2403056 | Втулка | |
| 67 | 50-2401020 | Заказать | Поводок |
| 68 | 36-1702110 | Заказать | Винт установочный |
| 69 | 1,6х200 | Проволока | |
| 70 | КЛТ-75Т | Прокладка |
Содержащиеся в справочниках-каталогах запасные части и детали не предлагаются к продаже, а носят исключительно информационный характер