Каталог запасных частей к технике: МТЗ-100. Привод рулевого механизма

1
2
3
3
4
5
6
7
8
9
10
10
11
12
13
14
15
16
17
18
18
19
19
20
21
22
23
24
25
26
27
28
29
30
31
32
33
34
35
35
36
37
38
39
40
41
42
43
44
45
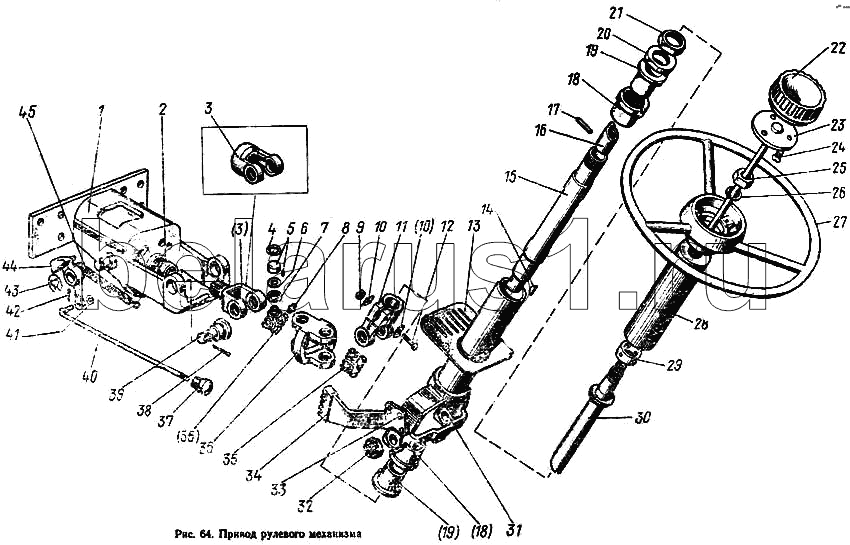
Позиция на иллюстрации | Заводской номер детали | Название детали | |
---|---|---|---|
70-3401050-Б | 70-3401050-Б | Вал со штифтом и хвостовиком в сборе | |
85-3401080 | 85-3401080 | Труба с заклепкой и сектором в сборе | |
85-3401120-01 | 85-3401120-01 | Кронштейн | |
85-3401010-01 | 85-3401010-01 | Колонка рулевая для насоса-дозатора ОSРВ-100 и щитка приборов 80-3805010 в сборе | |
85-3401010-03 | 85-3401010-03 | Колонка рулевая для насоса-дозатора ОSРВ-100 и щитка приборов 80-3801010 в сборе | |
85-3401010 | 85-3401010 | Заказать | Колонка рулевая для насоса-дозатора НД-80 и щитка приборов 80-3805010 в сборе |
85-3401010-02 | 85-3401010-02 | Колонка рулевая для насоса-дозатора НД-80 и щитка приборов 80-3801010 в сборе | |
85-3401170 | 85-3401170 | Колесо в сборе | |
85-3401150 | 85-3401150 | Заказать Заказать | Кардан для ОSРВ-100 в сборе |
85-3401060 | 85-3401060 | Кардан для НД-80 в сборе | |
70-3401030 | 70-3401030 | Зажим в сборе | |
85-3401066-Б | 85-3401066-Б | Вилка (НД-80) | |
1 | 85-3401120 | Заказать Заказать | Кронштейн |
2 | 85-3401016 | Заказать | Втулка |
3 | 85-3401156-Б | Вилка (ОSРВ-100) | |
4 | Б19 | Кольцо | |
5 | 904700УС17 | Подшипник | |
6 | 50-3401064 | Сальник | |
7 | 50-3401063 | Обойма | |
8 | 1.1Ц6хр | Масленка | |
9 | М8 | Гайка | |
10 | 50-3401092 | Шайба | |
11 | 50-3401061-А-01 | Вилка | |
12 | М8х40 | Болт | |
13 | 70-3401094 | Пластина уплотнительная | |
14 | 5х10 | Шпонка сегментная | |
15 | 70-3401055 | Заказать | Вал промежуточный |
16 | 70-3401054-Б | Заказать | Хвостовик вала |
17 | 8Пр2,2ах38 | Штифт | |
18 | 70-3401077-Б | Заказать | Амортизатор |
19 | 70-3401076 | Заказать | Втулка |
20 | 70-3401078 | Заказать | Гайка |
21 | 70-3401079 | Заказать | Контргайка |
22 | 70-3401035 | Головка | |
23 | 70-3401140 | Пластина | |
24 | ТВ1М6х12 | Винт | |
25 | М16х1,5 | Заказать Заказать | Гайка |
26 | ШП16 | Шайба | |
27 | 66-3402015-02 | Колесо рулевое | |
28 | 85-3401171 | Чехол | |
29 | 70-1723032 | Заказать | Втулка |
30 | 85-3401175 | Заказать | Вал |
31 | 85-3401020 | Труба | |
32 | 70-3003032 | Заказать | Гайка |
33 | 8х28 | Заклепка | |
34 | 85-3401160 | Сектор | |
35 | 50-3401062 | Заказать Заказать Заказать | Крестовина |
36 | 85-3401067 | Заказать | Вилка |
37 | 70-3709012 | Ручка переключателя | |
38 | 4х36 | Шплинт | |
39 | 85-3401011 | Винт | |
40 | 85-3401001 | Тяга | |
41 | ШЧ6 | Шайба | |
42 | 1,6х12 | Шплинт | |
43 | ШП15 | Шайба | |
44 | 85-3401014 | Фиксатор | |
45 | 50-1310158-Б | Пружина |
Содержащиеся в справочниках-каталогах запасные части и детали не предлагаются к продаже, а носят исключительно информационный характер