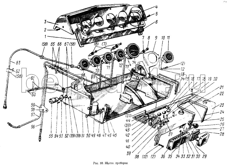
Каталог запасных частей к технике: МТЗ-100. Щиток приборов

1
2
2
2
3
4
5
6
7
7
8
8
9
10
11
12
12
13
14
15
16
17
18
19
20
21
22
23
24
25
26
27
28
29
30
31
32
33
34
35
36
37
37
38
38
39
39
39
40
41
42
43
44
45
46
47
48
49
50
51
52
53
54
55
56
57
58
58
58
58
59
60
61
62
63
64
65
66
67
68
69
70
71
72
73
74
Позиция на иллюстрации | Заводской номер детали | Название детали | |
---|---|---|---|
Предохранитель 5А | Предохранитель 5А | Предохранитель 5А | |
85-3801030 | 85-3801030 | Щиток | |
85-3801005 | 85-3801005 | Щиток приборов | |
85-3801010 | 85-3801010 | Щиток приборов | |
85-3801020 | 85-3801020 | Щиток с приборами | |
1 | 70-3801022 | Прокладка | |
2 | М6х12 | Винт | |
3 | 80-3801025 | Кожух | |
4 | 70-3801012 | Рассеиватель | |
5 | М6х18 | Винт | |
6 | 70-3801050 | Основание щитка | |
7 | ПП158 | Патрон | |
8 | А12-1 | Лампа | |
9 | 85-3801038 | Кронштейн | |
10 | 85-3801090 | Труба манометра | |
11 | МД225 | Указатель давления масла | |
12 | ШП6 | Шайба | |
13 | М6 | Гайка | |
14 | 70-3801175 | Уплотнитель | |
15 | 70-3801018 | Козырек | |
16 | 121 3803 | Сигнализатор включения поворотов | |
17 | 122 3803 | Сигнализатор включения дальнего света | |
18 | М6х12 | Винт | |
19 | 5102.3709 | Заказать | Переключатель указателей поворота |
20 | 5112.3709 | Переключатель ближний свет—дальний свет | |
21 | 8600.103 | Включатель стеклоомывателя | |
22 | ВК317-А2 | Заказать | Включатель стартера |
23 | 85Л-3801060 | Щиток | |
24 | 70-3801216 | Окантовка проема | |
25 | М12х1,25 | Гайка | |
26 | 70-3709012-А | Ручка переключателя | |
27 | П305 | Заказать Заказать | Переключатель |
28 | Предохранитель 15А | Предохранитель 15А | |
29 | М5х12 | Болт | |
30 | ПР11-С | Блок предохранителей | |
31 | 70-3722025 | Панель предохранителей | |
32 | ПР11-Р | Блок предохранителей | |
33 | ШП5 | Шайба | |
34 | М5 | Гайка | |
35 | В50-3724024 | Провод | |
36 | ПР11-П | Блок предохранителей | |
37 | М4х8 | Винт | |
38 | М4 | Гайка | |
39 | ШП4 | Шайба | |
40 | ВК322 | Заказать | Включатель |
41 | 12.3803 | Сигнализатор аварийной температуры воды | |
42 | 12.3803 | Сигнализатор аварийной температуры воды | |
43 | 12.3803 | Сигнализатор аварийной температуры воды | |
44 | ШЧ4 | Шайба | |
45 | 70-3801174 | Уплотнитель | |
46 | Гайка | Гайка | |
47 | ШП8 | Шайба | |
48 | ШЧ8 | Шайба | |
49 | РС410М | Заказать | Прерыватель указателей поворота |
50 | М8х20 | Болт | |
51 | 85-3801040 | Основание | |
52 | 85-3801410 | Трубопровод | |
53 | 70-3801403 | Штуцер | |
54 | М8х10 | Винт | |
55 | ОР-9928-01ГОСНИТИ | Сигнализатор засоренности воздухоочистителя | |
56 | 85-3801100 | Труба манометра | |
57 | 85-3801080 | Труба манометра | |
58 | 70-3801029 | Зажим | |
59 | 85-3801034 | Кронштейн | |
60 | 36-1104787 | Заказать | Болт |
61 | 36-1104788 | Прокладка | |
62 | 80-3801092 | Кронштейн | |
63 | ГВН300-02 | Вал гибкий | |
64 | 70-3723042-01 | Втулка | |
65 | М12х1,25 | Гайка | |
66 | ШП12 | Шайба | |
67 | 70-3801180 | Заказать Заказать Заказать Заказать | Шланг |
68 | УК133В | Приемник указателя температуры воды | |
69 | 70-3723042-02 | Втулка | |
70 | АП110 | Указатель тока | |
71 | МД226 | Указатель давления воздуха | |
72 | МД219 | Указатель давления масла | |
73 | 50-2401071 | Пробка | |
74 | 26.3813 | Тахоспидометр |
Содержащиеся в справочниках-каталогах запасные части и детали не предлагаются к продаже, а носят исключительно информационный характер