Каталог запасных частей к технике: МТЗ-100. Управление сумматором

1
2
3
3
4
5
6
7
8
8
8
8
8
9
10
11
12
13
13
14
14
15
15
15
16
17
18
19
19
20
21
22
23
24
25
26
27
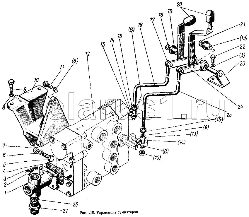
Позиция на иллюстрации | Заводской номер детали | Название детали | |
---|---|---|---|
85-4602110 | 85-4602110 | Механизм управления в сборе | |
85-4602150 | 85-4602150 | Тяга 85-4602114 в сборе | |
85-4602150-01 | 85-4602150-01 | Тяга 85-4602114-01 в сборе | |
1 | 85-4602212 | Патрубок | |
2 | М8х25 | Болт | |
3 | ШП8Т | Шайба | |
4 | 85-4602216 | Прокладка | |
5 | 4М12х35 | Болт | |
6 | ШП12 ОТ | Шайба | |
7 | ШЧ12 | Шайба | |
8 | ШП10Т | Шайба | |
9 | 4М10х40 | Болт | |
10 | 85-4602111 | Кронштейн | |
11 | М10х25 | Болт | |
12 | 101-4602010 | Сумматор | |
13 | 80-4616051 | Ползун | |
14 | 3,2х18 | Шплинт | |
15 | М10 | Гайка | |
16 | 85-4602114 | Тяга | |
17 | 85-4602140 | Рычаг | |
18 | 1Б12 | Кольцо | |
19 | 50-4607082-А | Заказать | Втулка |
20 | А13.11.000 | Заказать | Рукоятка |
21 | 85-462122 | Втулка | |
22 | 4М8х20 | Болт | |
23 | 85-4602120 | Кронштейн | |
24 | 85-4602130 | Рычаг | |
25 | 85-4602114-01 | Тяга | |
26 | 021-024-19-1-4 | Кольцо | |
27 | 85-4602228 | Штуцер |
Содержащиеся в справочниках-каталогах запасные части и детали не предлагаются к продаже, а носят исключительно информационный характер