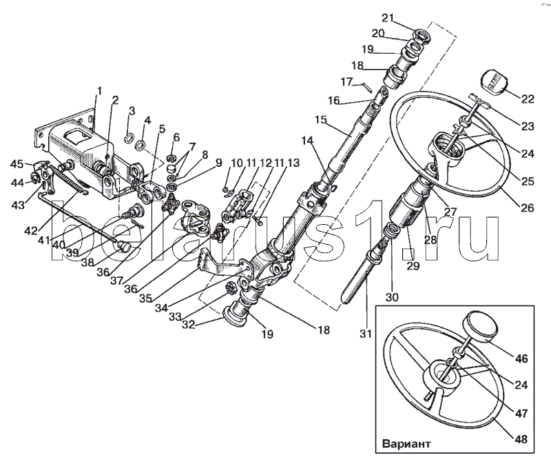
Каталог запасных частей к технике: МТЗ-1025.4. Колонка рулевая

85-3401010
1
2
3
4
5
6
7
8
9
10
11
11
12
13
14
15
15
16
17
18
18
19
19
20
21
22
23
24
24
25
26
27
28
29
30
31
32
33
34
35
36
36
37
38
39
40
41
42
43
44
45
46
47
48
Позиция на иллюстрации | Заводской номер детали | Название детали | |
---|---|---|---|
85-3401010 | 85-3401010 | Заказать | Колонка рулевая для насоса-дозатора НД-80 и щитка приборов 80-3805010 в сборе |
85-3401150 | 85-3401150 | Заказать Заказать | Кардан для ОSРВ-100 в сборе |
1 | 85-3401120 | Заказать Заказать | Кронштейн |
2 | 85-3401016 | Заказать | Втулка |
3 | С20 | Кольцо | |
4 | 80-3401019 | Шайба | |
5 | 85-3401156-Б | Вилка (ОSРВ-100) | |
6 | С19 | Кольцо | |
7 | 904700 УС17 | Подшипник | |
8 | 50-3401064 | Сальник | |
9 | 50-3401063 | Обойма | |
10 | М10-6Н.04.019 | Гайка | |
11 | 80-3401013 | Шайба | |
12 | 50-3401061-А | Вилка | |
13 | M10-6gx45.88.35.019 | Болт | |
14 | СШ-510 | Заказать | Шпонка |
15 | 70-3401050-Б | Вал со штифтом и хвостовиком в сборе | |
15 | 70-3401055 | Заказать | Вал промежуточный |
16 | 70-3401054-Б | Заказать | Хвостовик вала |
17 | ШЦК 8x36 | Штифт | |
18 | 70-3401077-Б | Заказать | Амортизатор |
19 | 70-3401076 | Заказать | Втулка |
20 | 70-3401078 | Заказать | Гайка |
21 | 70-3401079 | Заказать | Контргайка |
22 | 80-3401082 | Заказать | Крышка головки |
23 | 80-3401140 | Заказать | Зажим |
24 | М16x1,5-61-1.6.019 | Гайка | |
25 | 50-3401091 | Шайба | |
26 | 80-3402015 | Заказать Заказать | Колесо |
27 | 80-3709025 | Заказать | Втулка |
28 | 80-3709026-Б | Втулка | |
29 | 80-3709024 | Чехол | |
30 | 50-4608057 | Пружина | |
31 | 85-3401175 | Заказать | Вал |
32 | 600-3401012 | Шайба | |
33 | 70-3003032 | Заказать | Гайка |
34 | 8x28.01.019 | Заклепка | |
35 | 600-3401160 | Сектор | |
36 | 50-3401062 | Заказать Заказать Заказать | Крестовина |
37 | 85-3401067 | Заказать | Вилка |
38 | 70-3709012-А | Ручка переключателя | |
39 | 4x25.019 | Шплинт | |
40 | 85-3401011 | Винт | |
41 | 80-3401001 | Тяга | |
42 | 50-1310158-Б | Пружина | |
43 | 1,6x12.019 | Шплинт | |
44 | С18 | Кольцо | |
45 | 85-3401014 | Фиксатор | |
46 | 822-3401140-А1 | Зажим | |
47 | 16 ОТ | Шайба | |
48 | 70-3402015-А | Рулевое колесо |
Содержащиеся в справочниках-каталогах запасные части и детали не предлагаются к продаже, а носят исключительно информационный характер