Каталог запасных частей к технике: МТЗ-1025.4. Кран тормозной

1
1
1
1
2
3
4
5
6
7
7
8
8
8
9
10
10
11
12
13
14
15
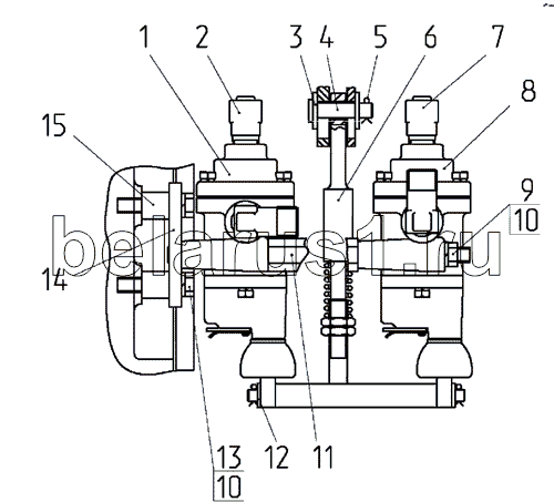
Позиция на иллюстрации | Заводской номер детали | Название детали | |
---|---|---|---|
1 | 1221М-3514705 | Кран тормозной | |
1 | 1221М-3514705-01 | Кран тормозной | |
1 | А29.351.4010-02 | Кран тормозной | |
1 | 80-3514010-02 | Кран тормозной | |
2 | 70-3506033 | Заказать | Угольник |
3 | С 12.01.019 | Шайба | |
4 | 12x40 | Палец | |
5 | 3,2x18.019 | Шплинт | |
6 | 1221 М-3514730 | Тяга | |
7 | А29.3514010 | Кран тормозной | |
7 | 1522-3514033 | Угольник | |
8 | 80-3514010 | Заказать | Кран тормозной |
8 | А29.351.4010-01 | Кран тормозной | |
8 | 80-3514010-01 | Кран тормозной | |
9 | М10-6Н.6.019 | Гайка | |
10 | 10 ОТ | Шайба | |
11 | 1221 М-3514714 | Шпилька | |
12 | С 8.01.019 | Шайба | |
13 | M10-6gx45.88.35.019 | Болт | |
14 | 85М-3514011 | Кронштейн | |
15 | 85-3514012 | Бобышка |
Содержащиеся в справочниках-каталогах запасные части и детали не предлагаются к продаже, а носят исключительно информационный характер