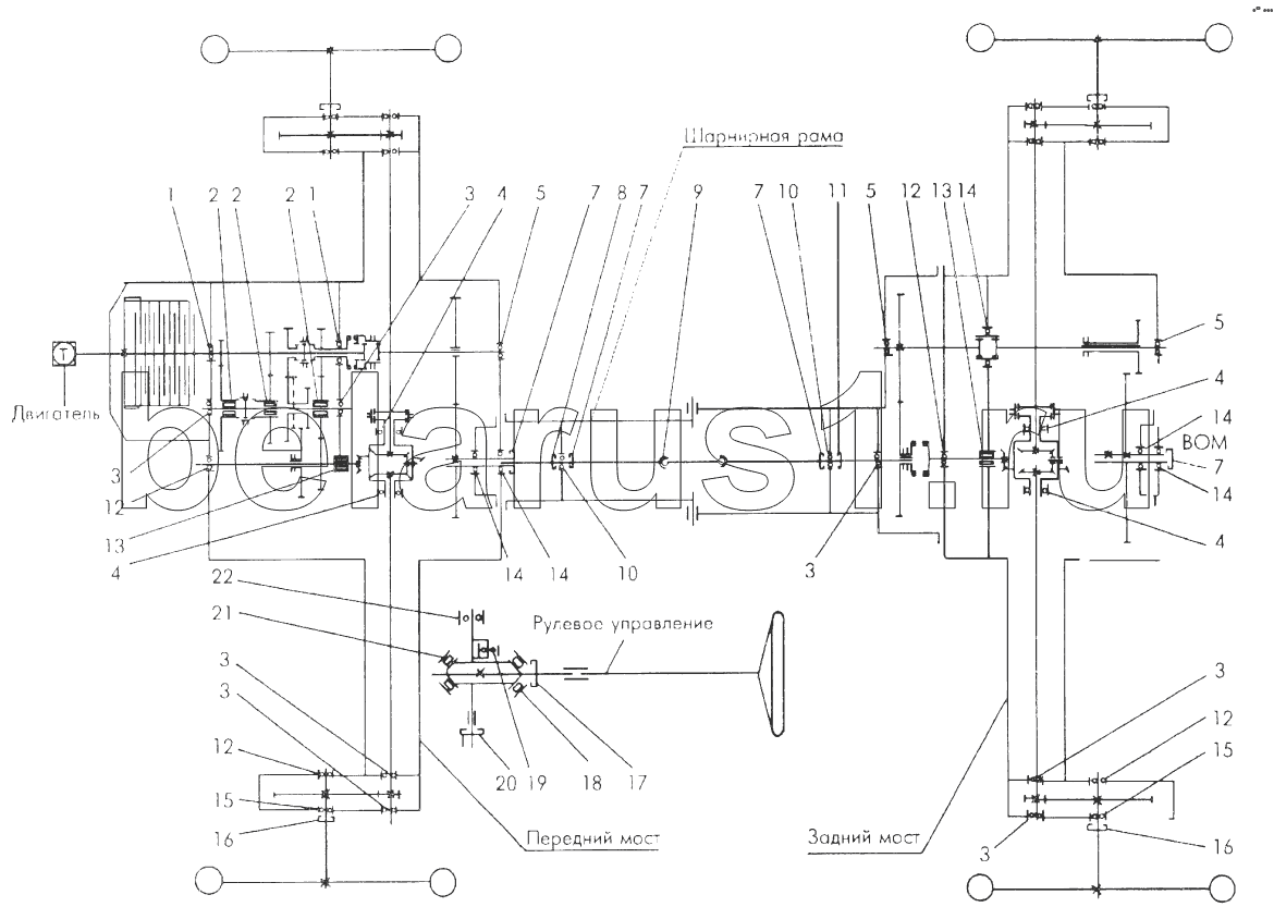
Каталог запасных частей к технике: МТЗ-112Н, 132Н. Схема расположения подшипников и манжет

1
1
2
2
2
3
3
3
3
3
3
3
4
4
4
4
5
5
5
7
7
7
7
8
9
10
10
11
12
12
12
12
13
13
14
14
14
14
14
15
15
16
16
17
18
19
20
21
22
Позиция на иллюстрации | Заводской номер детали | Название детали | |
---|---|---|---|
1 | 70001067 | Подшипник | |
2 | 464906Е8 | Подшипник | |
3 | 204 К311 | Подшипник | |
4 | 11016 | Подшипник | |
5 | 30220 | Заказать | Подшипник |
6 | 8100 | Заказать | Подшипник |
7 | 2.2-30x52-1 | Манжета | |
8 | 2.2-25x42-1 | Манжета | |
9 | 904700УС17 | Подшипник | |
10 | 205К | Шарикоподшипник | |
11 | 2.2-65x90-1 | Манжета | |
12 | 304 | Заказать Заказать Заказать | Подшипник |
13 | 92305 | Подшипник ГОСТ 8328-75 | |
14 | 106 | Подшипник ГОСТ 8338-75 | |
15 | 206 | Заказать Заказать | Подшипник ГОСТ 8338-75 |
16 | 2.2-38x58-1 | Манжета | |
17 | 2.1-23x35-1/2 | Манжета | |
18 | 977907К1 | Подшипник | |
19 | 776801Х | Подшипник | |
20 | 2.1-32x44-1/2 | Манжета | |
21 | 877907 | Подшипник роликовый с сепаратором и нижним кольцом | |
22 | 922205К | Подшипник радиальный без внутреннего кольца |
Содержащиеся в справочниках-каталогах запасные части и детали не предлагаются к продаже, а носят исключительно информационный характер