Каталог запасных частей к технике: МТЗ-1221. Бак масляный и фильтр

1
2
2
3
4
5
6
7
8
9
10
11
12
13
14
15
16
17
18
19
19
20
21
22
23
24
25
26
27
28
29
30
31
32
33
34
34
36
36
37
37
37
37
38
39
40
41
42
42
43
44
45
46
47
48
49
49
50
50
51
52
53
54
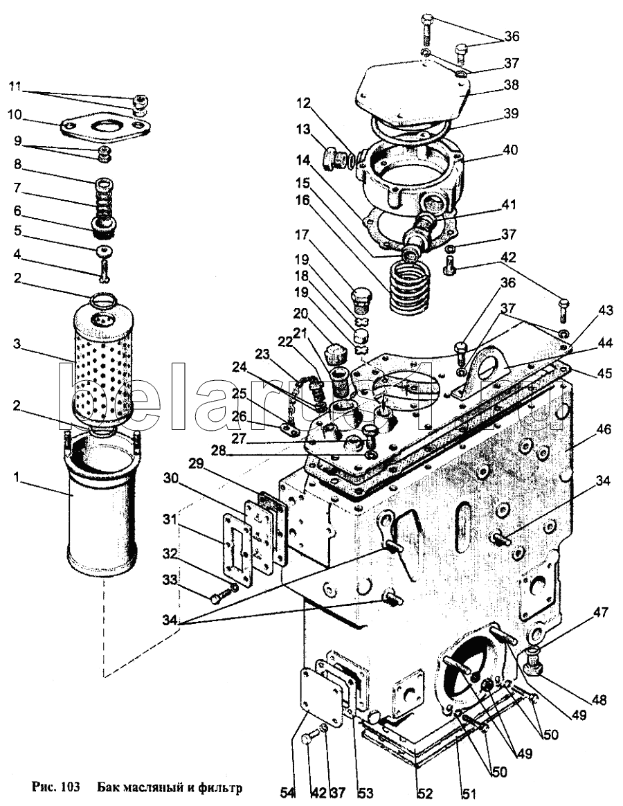
Позиция на иллюстрации | Заводской номер детали | Название детали | |
---|---|---|---|
М10 | М10 | Гайка | |
А28.04.10.000 | А28.04.10.000 | Заказать | Клапан 8.20.004 в сборе |
85-4608090 | 85-4608090 | Заказать | Клапан 85-4608091 в сборе |
85-4608010-01 | 85-4608010-01 | Корпус гидросистемы в сборе | |
SНР10 | SНР10 | Шайба | |
1 | А28.04.20.000-А | Корпус | |
2 | 042-050-46-2-2 | Заказать | Кольцо |
3 | 761-00-00-00 | Элемент фильтрующий Реготмас 635-1 | |
4 | V1.М6х40 | Винт | |
5 | 8.20.004 | Клапан | |
6 | А28.04.10.001 | Заказать | Корпус |
7 | 8.20.002 | Пружина | |
8 | 8.20.005 | Шайба опорная | |
9 | 2М6 | Гайка | |
10 | А28.04.00.001 | Заказать | Ограничитель |
11 | М6 | Гайка | |
12 | 021-025-25-1-4 | Кольцо | |
13 | 85-4608021 | Пробка | |
14 | 85-4608089 | Прокладка | |
15 | S80-4607034 | Штуцер с RS-213 | |
16 | 85-4608057 | Пружина | |
17 | 50-4608059 | Пробка сапуна | |
18 | 50-4608063 | Заказать | Фильтр |
19 | 50-4608062 | Шайба сапуна | |
20 | КG1/4" | Пробка | |
21 | А61-S06-А2 | Фильтр | |
22 | 85-4608091 | Клапан | |
23 | 50-1002450 | Цепочка | |
24 | 011-015-25-2-4 | Заказать | Кольцо |
25 | 36-1101067 | Кольцо | |
26 | 50-3407069 | Чека | |
27 | М12х20 | Болт | |
28 | SНР12 | Шайба | |
29 | 85-4608086-А | Заказать | Прокладка |
30 | 85-4608087 | Заказать | Указатель |
31 | 85-4608088 | Заказать | Пластина |
32 | SНР6 | Шайба | |
33 | М6х16 | Винт | |
34 | М10хТ2/6gх20 | Шпилька | |
35 | М8х80 | Болт | |
36 | М8х25 | Болт | |
37 | SНР8 | Шайба | |
38 | 85-4608022 | Заказать | Крышка |
39 | 130-135-30-2-4 | Кольцо | |
40 | 85-4608018-01 | Стакан | |
41 | 027-032-30-2-4 | Кольцо | |
42 | М8х20 | Болт | |
43 | 85-4608025-02 | Крышка | |
44 | 80-4608073 | Кронштейн | |
45 | 85-4608031 | Прокладка | |
46 | 85-4608016 | Корпус гидросистемы | |
47 | 017-022-30-2-2 | Заказать | Кольцо |
48 | 50-4608027-V | Пробка | |
49 | М10хТ2/6gх35 | Шпилька | |
50 | М10х40 | Болт | |
51 | 70-4608072 | Пластина | |
52 | 50-4608049 | Прокладка | |
53 | 70-4608033 | Прокладка | |
54 | 70-4608019 | Крышка |
Содержащиеся в справочниках-каталогах запасные части и детали не предлагаются к продаже, а носят исключительно информационный характер