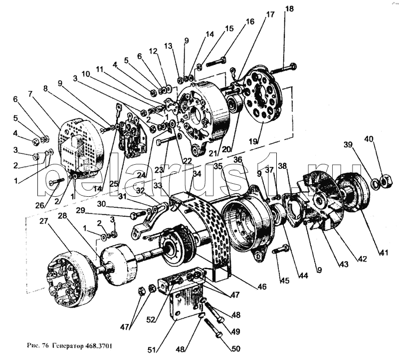
Каталог запасных частей к технике: МТЗ-1221. Генератор 468.3701

1
1
1
2
2
2
3
3
3
4
4
5
5
6
6
7
8
9
9
9
9
10
11
12
13
14
14
15
16
17
18
19
20
21
22
23
24
25
26
27
28
29
30
31
32
33
34
35
36
37
38
39
40
41
42
43
44
45
46
47
47
48
48
49
50
51
52
Позиция на иллюстрации | Заводской номер детали | Название детали | |
---|---|---|---|
96-3701-01 | 96-3701-01 | Генератор в сборе | |
1 | 002500-01 | Шайба 4 ОСТ 37.001.144-75 | |
2 | 4L | Шайба | |
3 | 2100 | Гайка М4-6 | |
4 | 002100-03 | Гайка М6-6Н ОСТ 37.001.124-75 | |
5 | 6L | Шайба | |
6 | 002500-05 | Шайба 6 01 16 ГОСТ 10450-78 | |
7 | 96.3701001-04 | Крышка регулирующего устройства | |
8 | 001300-02 | Винт VМ5х14 | |
9 | 5L | Шайба | |
10 | 96.3701018 | Втулка распорная | |
11 | 96.3701013 | Изолятор | |
12 | 46.3701017 | Шайба изоляционная | |
13 | 002100-02 | Гайка М6-7Н ОСТ 37.001.124-75 | |
14 | 002500-03 | Шайба 5 01 016 ГОСТ 11371-78 | |
15 | 95.3701011 | Изолятор фазный | |
16 | 96.3701021 | Болт М4х35 | |
17 | 96.3701020 | Панель выводов | |
18 | 46.3701015 | Болт М6х53 | |
19 | 95.3701600-01 | Блок выпрямительный | |
20 | 6-180502К1S9 | Шарикоподшипник | |
21 | 96.3701300 | Крышка задняя | |
22 | 96.3701017 | Шайба изоляционная | |
23 | 46.3701008 | Болт М4х27,5 | |
24 | 46.3701019 | Перемычка | |
25 | 96.3701500 | Регулирующее устройство | |
26 | 001300-23 | Винт VМ4х25 | |
27 | 96.3701100 | Статор | |
28 | 96.3701200 | Ротор | |
29 | М8х20 | Болт | |
30 | SНР8 | Шайба | |
31 | 50-1002073 | Шайба | |
32 | 260-3701063-А | Планка | |
33 | 46.3701005 | Втулка ротора | |
34 | 240-3701060-В | Щиток | |
35 | 46.3701080 | Болт стяжной | |
36 | 46.3701400-01 | Крышка передняя | |
37 | 001300-26 | Винт VМ5х9,5 | |
38 | 46.3701007 | Крышка подшипника | |
39 | 16L | Шайба | |
40 | 002100-07 | Гайка М16х1,5-6Н.5А.019 ГОСТ 5929-70 | |
41 | 464.3701051 | Шкив (одноручьевой) | |
42 | 46.3701003 | Вентилятор | |
43 | 001300-13 | Винт М5-6gх26 ОСТ 37001.127-81 | |
44 | 6-180603К4S9 | Шарикоподшипник | |
45 | М10х40 | Болт | |
46 | 46.3701060 | Катушка возбуждения | |
47 | М10 | Гайка | |
48 | SНР10 | Шайба | |
49 | 260-3701068 | Болт | |
50 | М10х30 | Болт | |
51 | 260-3701056 | Заказать | Кронштейн |
52 | М10х55 | Болт |
Содержащиеся в справочниках-каталогах запасные части и детали не предлагаются к продаже, а носят исключительно информационный характер