Каталог запасных частей к технике: МТЗ-1221.4. Электрооборудование по двигателю
1
4
7
9
9
11
11
12
14
14
14
14
14
14
14
15
15
17
19
21
23
23
23
25
27
29
31
31
33
33
35
35
37
39
41
41
42
42
42
42
43
43
43
44
44
44
44
47
48
49
50
51
52
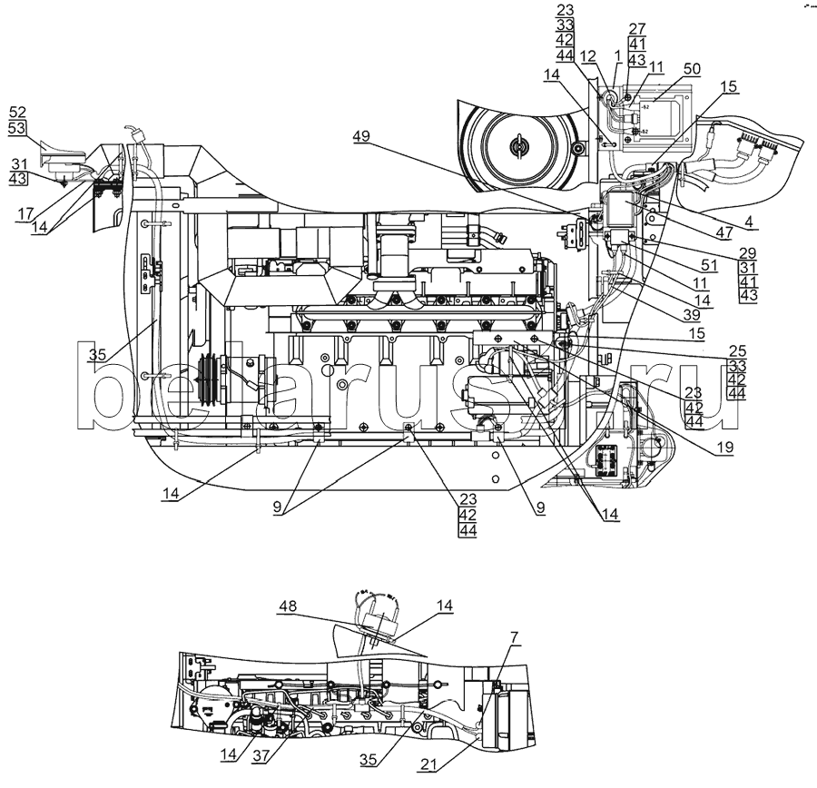
| Позиция на иллюстрации | Заводской номер детали | Название детали | |
|---|---|---|---|
| 1 | 1221.4-3759020 | Кронштейн | |
| 4 | 1221.4-3747021 | Кронштейн | |
| 7 | 54.24.445-Б | Наконечник | |
| 9 | 70-1115012-01 | Хомутик | |
| 11 | 70-3723035 | Наконечник | |
| 12 | 70-3723042 | Втулка | |
| 14 | 80-3723045-01 | Манжета | |
| 15 | 822-3723044 | Хомутик | |
| 17 | 1522-3721011 | Пластина | |
| 19 | 2822ДЦ-3723001 | Экран | |
| 21 | ТМ-59-6000-38 | Наконечник резиновый | |
| 23 | М8-6gх14.88.35.019 | Болт | |
| 25 | М8-6gх25.88.35.019 | Болт | |
| 27 | М6-6gх20.88.35.019 | Болт | |
| 29 | В.М6-6gх20.58.019 | Винт | |
| 31 | М6-6Н.6.019 | Гайка | |
| 33 | М8-6Н.6.019 | Гайка | |
| 35 | 1221.4-3724360 | Жгут | |
| 37 | 1222.4-3724380-А | Жгут | |
| 39 | 80-3724381 | Провод | |
| 41 | С6.01.019 | Шайба | |
| 42 | С8.01.019 | Шайба | |
| 43 | Шайба6Т | Шайба | |
| 44 | Шайба8Т | Шайба 8Т | |
| 47 | 3722.40 | Блок предохранителей (БП-11) | |
| 48 | 3845.10 | Датчик засоренности воздухоочистителя (ДСФ-65) | |
| 49 | 3829.15 | Датчик аварийного давления Масла (ДАДМ-03) | |
| 50 | 3759.10 | Преобразователь напряжения | |
| 51 | 3747.35 | Реле свечей накаливания | |
| 52 | 3721.15 | Сигнал звуковой рупорный низкотональный |
Содержащиеся в справочниках-каталогах запасные части и детали не предлагаются к продаже, а носят исключительно информационный характер