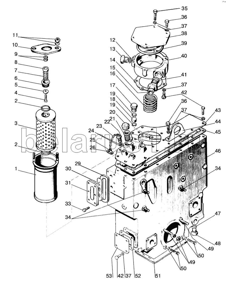
Каталог запасных частей к технике: МТЗ-1221.4. Корпус гидросистемы и фильтр
/101.gif)
1
2
2
3
3
4
5
6
7
8
9
10
11
12
12
13
14
15
16
17
18
19
19
20
21
22
23
24
25
26
29
30
31
33
34
34
35
36
36
37
37
37
37
38
39
40
41
42
42
43
44
45
46
47
47
48
49
49
49
50
50
50
51
52
53
Позиция на иллюстрации | Заводской номер детали | Название детали | |
---|---|---|---|
85-4608010 | 85-4608010 | Корпус гидросистемы | |
1 | A28.04.20.000-A1 | Корпус | |
2 | 042-050-46-2-4 | Кольцо | |
3 | ФЭГ3-25 | Элемент фильтрующий | |
3 | ЭФОМ635-1 | Элемент фильтрующий | |
4 | ВинтВ.М6-6gх40.58.019 | Винт В.М6-6gх40.58.019 | |
5 | A28.04.10.000 | Клапан | |
5 | 8.20.004 | Клапан | |
6 | A28.04.10.001 | Корпус клапана | |
7 | 8.20.002 | Пружина | |
8 | 8.20.005 | Шайба опорная | |
9 | ГайкаМ6-6Н.6.019 | Гайка | |
10 | A28.04.00.001 | Ограничитель | |
11 | ГайкаМ6-6Н.6.019 | Гайка | |
12 | РМ24 | Шайба | |
12 | 40-4607033-А | Заказать | Шайба |
13 | 85-4608021 | Пробка | |
14 | 85-4608089 | Прокладка | |
15 | 85-4607034 | Штуцер | |
16 | 85-4608057 | Пружина | |
17 | 50-4608059 | Пробка сапуна | |
18 | 50-4608063 | Заказать | Фильтр |
19 | 50-4608062 | Шайба сапуна | |
20 | КГ11,4dm | Пробка | |
21 | A61-C06-A3 | Фильтр | |
22 | 85-4608091 | Клапан | |
22 | 85-4608090 | Заказать | Клапан 85-4608091 в сборе |
23 | 50-1002450 | Цепочка | |
24 | 011-015-25-2-4 | Заказать | Кольцо |
25 | 36-1101067 | Кольцо | |
26 | 50-3407069 | Чека | |
29 | 85-4608086-Б | Заказать | Уплотнитель |
30 | 85-4608087-Б | Заказать | Указатель |
31 | 85-4608088-Б | Корпус | |
33 | БолтМ6х20 | Болт | |
34 | ШпилькаМ103р,6gх20.66.019 | Шпилька | |
35 | БолтМ8-6gх80.88.35.019 | Болт М8-6gх80.88.35.019 | |
36 | БолтМ8-6gх25.88.35.019 | Болт | |
37 | Шайба8Т | Шайба 8Т | |
38 | 85-4608022 | Заказать | Крышка |
39 | 130-135-30-1-4 | Кольцо | |
40 | 85-4608018 | Заказать | Стакан |
41 | 027-032-30-1-4 | Кольцо | |
42 | БолтМ8-6gх20.88.35.019 | Болт | |
43 | 85-4608025 | Заказать | Крышка |
44 | 80-4608073 | Кронштейн | |
45 | 85-4608031-Б | Прокладка | |
46 | 85-4608016-A | Корпус гидросистемы | |
47 | РМ1,2 | Шайба | |
47 | 40-4607038-A | Шайба | |
48 | 70-4607163 | Пробка | |
49 | ГайкаМ10-6Н.6.019 | Гайка | |
49 | ШпилькаМ103р,6gх35.66.019 | Шпилька | |
50 | БолтМ10-6gх40.88.35.019 | Болт | |
50 | Шайба10.ОТ | Шайба | |
51 | 50-4608049-01 | Прокладка | |
52 | 70-4608033 | Прокладка | |
53 | 70-4608019 | Крышка |
Содержащиеся в справочниках-каталогах запасные части и детали не предлагаются к продаже, а носят исключительно информационный характер