Каталог запасных частей к технике: МТЗ-1221.4. Управление гидрораспределителем (РП70)
/99.gif)
1
1
1
1
1
2
2
2
2
2
4
4
5
5
6
6
6
7
8
8
8
8
9
10
11
12
13
14
14
14
15
16
16
17
17
18
19
20
21
22
23
24
24
25
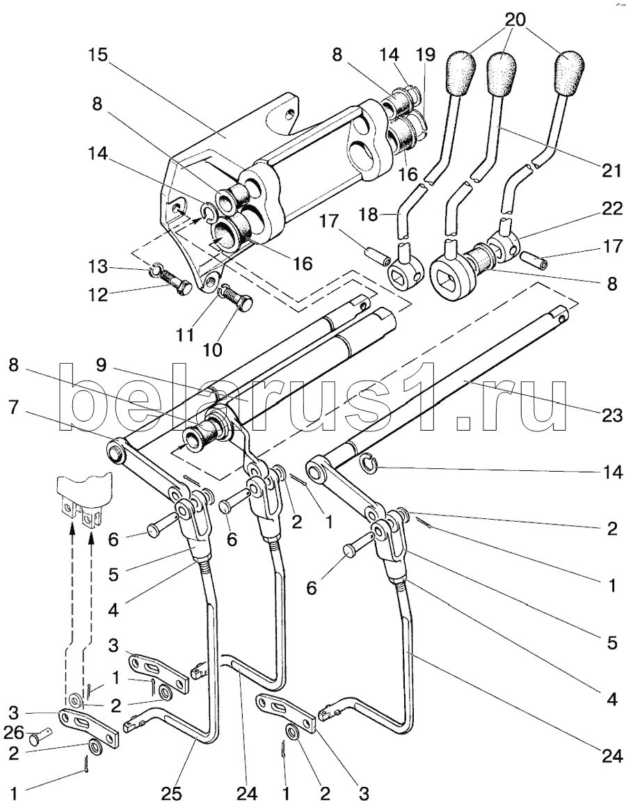
Позиция на иллюстрации | Заводской номер детали | Название детали | |
---|---|---|---|
1 | 3,2x18 | Шплинт | |
2 | 70-4607144 | Шайба | |
4 | M8 | Гайка | |
5 | A20-213A | Вилка | |
6 | A61-030-A1 | Палец | |
7 | 80-4607250 | Заказать | Вал |
8 | 50-4607078-A | Втулка | |
9 | 80-4607230 | Вал | |
10 | M12х30 | Болт | |
11 | ШП12 | Шайба | |
12 | M10х35 | Болт | |
13 | ШП10 | Шайба | |
14 | 2Б18 | Кольцо | |
15 | 85-4607017 | Заказать | Кронштейн |
16 | 50-4607079-A1 | Втулка | |
17 | 8x30 | Палец | |
18 | C80-4607080-01 | Рычаг | |
19 | 2Б32 | Кольцо | |
20 | 70-3401093 | Заказать | Наконечник |
21 | C80-4607090 | Рычаг | |
22 | C80-4607080 | Рычаг | |
23 | 80-4607220 | Вал | |
24 | Р1221-4607261 | Заказать | Тяга |
25 | Р1221-4607261-01 | Заказать | Тяга |
Содержащиеся в справочниках-каталогах запасные части и детали не предлагаются к продаже, а носят исключительно информационный характер