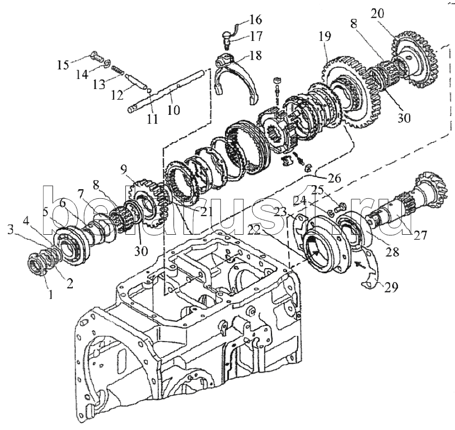
Каталог запасных частей к технике: МТЗ-1221.4. Вал вторичный
1
2
3
4
5
6
7
8
8
9
10
11
12
13
14
15
16
17
18
19
20
21
22
23
24
25
26
27
28
29
30
30
| Позиция на иллюстрации | Заводской номер детали | Название детали | |
|---|---|---|---|
| 1 | 80-1701045 | Заказать Заказать | Гайка |
| 2 | 1522-1701354 | Заказать | Шайба |
| 3 | 1522-1701254 | Шайба 0,2 мм | |
| 4 | 1522-1701254-01 | Шайба 0,5 мм | |
| 5 | 6-67512АШ2 | Подшипник | |
| 6 | 1522-1701350 | Втулка | |
| 7 | 1222-1701353 | Шайба | |
| 8 | 664514Е | Подшипник | |
| 9 | 1222-1701314-А | Шестерня | |
| 10 | 1222-1702037 | Поводок | |
| 11 | 10,0-60 | Заказать | Шарик ГОСТ 3722-81 |
| 12 | 85-1702048 | Штифт | |
| 13 | 50-1702148-А | Заказать | Пружина фиксатора |
| 14 | 85-1702051 | Шайба | |
| 15 | M12x25 | Болт | |
| 16 | 1,6-О-C | Проволока | |
| 17 | 80-1702108 | Заказать | Болт |
| 18 | 1222-1702029 | Заказать | Вилка |
| 19 | 1222-1701312-А | Шестерня | |
| 20 | 1222-1701313 | Шестерня | |
| 21 | 1222-1701349 | Втулка | |
| 22 | 80-1701141-Б | Гнездо | |
| 22 | 80-1701140-Б | Гнездо | |
| 23 | 50-1701258 | Заказать | Прокладка регулировочная 0,2 мм |
| 24 | ШП10 | Шайба | |
| 25 | М10х30 | Болт | |
| 26 | GT-D109,116 | Синхронизатор | |
| 27 | 1222-1701252 | Вал-шестерня | |
| 27 | 1222-1701050 | Вал | |
| 28 | 7712A | Подшипник | |
| 29 | 50-1701259 | Заказать | Прокладка регулировочная 0,5 мм |
| 30 | 2025-1701033 | Втулка |
Содержащиеся в справочниках-каталогах запасные части и детали не предлагаются к продаже, а носят исключительно информационный характер