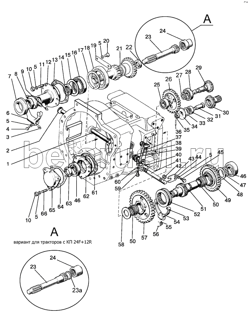
Каталог запасных частей к технике: МТЗ-1221.5. Корпус сцепления

1
2
3
4
5
5
5
5
5
6
7
8
9
10
10
11
12
13
14
15
16
17
18
19
20
21
22
23
23
23а
24
24
25
26
27
28
29
30
31
32
33
34
35
36
37
38
39
40
41
42
43
44
45
46
46
47
48
49
50
50
51
52
53
54
55
56
57
58
59
60
61
62
63
64
65
66
Позиция на иллюстрации | Заводской номер детали | Название детали | |
---|---|---|---|
80-1601030-01 | 80-1601030-01 | Кронштейн отводки | |
80-1601040 | 80-1601040 | Стакан с гайкой в сборе | |
80-1601050-01 | 80-1601050-01 | Вал | |
80-1601070 | 80-1601070 | Шестерня с кольцом и подшипником в сборе | |
80-1601160 | 80-1601160 | Вал с подшипниками в сборе | |
80-1601180 | 80-1601180 | Шестерня 80-1601182 с осью, подшипником и кольцом в сборе | |
50-1601180-А | 50-1601180-А | Заказать | Отводка с масленкой и подшипником упорным в сборе |
80-1601190 | 80-1601190 | Заказать | Вилка со штифтом в сборе |
1 | 85-1601215 | Заказать | Вал |
2 | 50-1601022 | Заглушка | |
3 | 50-1601218 | Заказать | Шпонка |
4 | БолтМ10-6gх30.88.35.019 | Болт | |
5 | Шайба10.ОТ | Шайба | |
6 | 85-1601203 | Заказать | Вилка |
7 | 986714К1С23 | Подшипник отводки | |
8 | 50-1601185-А | Заказать | Отводка |
9 | 1.1.Ц9.хр | Масленка | |
10 | ГайкаМ10-6Н.6.019 | Гайка | |
11 | ШпилькаМ103р,6gх25.66.019 | Шпилька | |
12 | 85-1601172 | Заказать Заказать | Кронштейн |
13 | 80-1601173 | Прокладка | |
14 | 240-1002055 | Заказать | Манжета 2.1-50х70-4 |
15 | 80-1601319 | Заказать | Шайба |
16 | 115К5 | Подшипник | |
17 | С105 | Заказать | Кольцо |
18 | 76-1000921 | Подшипник | |
19 | 80-1601318 | Планка | |
20 | БолтМ10-6gх25.88.35.019 | Болт | |
21 | 85-1601026 | Заказать | Вал |
22 | Манжета2.2-38х58-1 | Манжета | |
23 | 80-1601113-01 | Заказать Заказать Заказать Заказать | Вал |
23 | 1222-1601113 | Вал | |
23а | С45 | Кольцо | |
24 | 80С-1601061 | Заказать Заказать Заказать Заказать | Втулка |
24 | 2022-1601061 | Втулка | |
25 | 305А | Подшипник | |
26 | 80-1601357-Б | Заказать | Шестерня |
27 | С35 | Кольцо | |
28 | 207 | Заказать | Шарикоподшипник |
29 | 80-1601071-Б | Заказать | Шестерня |
30 | 80-1601182 | Шестерня | |
31 | 80-1601181 | Заказать | Ось |
32 | 204А | Подшипник | |
33 | С47 | Кольцо | |
34 | 80-1601356 | Шайба упорная | |
35 | 70-3003032 | Заказать | Гайка |
36 | 3,2х25.019 | Шплинт | |
37 | 80-1601219-Б | Рычаг | |
38 | 80-4608024 | Заказать | Кольцо |
39 | 36-1601016 | Заказать | Корпус пылеотражателя |
40 | СШ-611 | Заказать | Шпонка |
41 | 85-1601111 | Заказать | Валик |
42 | 020-025-30-1-4 | Кольцо | |
43 | 85-1601099 | Пластина | |
44 | С10.01.019 | Шайба | |
45 | БолтМ10-6gх20.88.35.019 | Болт | |
46 | 209А | Подшипник | |
47 | 2С50 | Кольцо | |
48 | 80-1601083 | Шайба | |
49 | 80-1601086-A | Шестерня | |
50 | КК52х60х39Е | Подшипник | |
51 | 80-1601021 | Заказать | Вал |
52 | 112-1701343 | Муфта | |
53 | 70-1601114 | Штифт | |
54 | 80-1601191 | Заказать | Вилка |
55 | 50-4604046 | Заказать | Болт вилки |
56 | Проволока1,0-О-С | Проволока 1,0-О-С | |
57 | 80-1601088-A | Шестерня | |
58 | 80-1601082 | Шайба | |
59 | БолтМ12-6gх35.88.35.019 | Болт | |
60 | Шайба12.ОТ | Шайба | |
61 | 80-1601091 | Прикладка | |
62 | 80-1601041 | Заказать | Стакан |
63 | 80-1701045 | Заказать Заказать | Гайка |
64 | 80-1601092 | Прокладка | |
65 | 80-1601089 | Заказать | Крышка |
66 | ШпилькаМ103р,6gх35.66.019 | Шпилька |
Содержащиеся в справочниках-каталогах запасные части и детали не предлагаются к продаже, а носят исключительно информационный характер