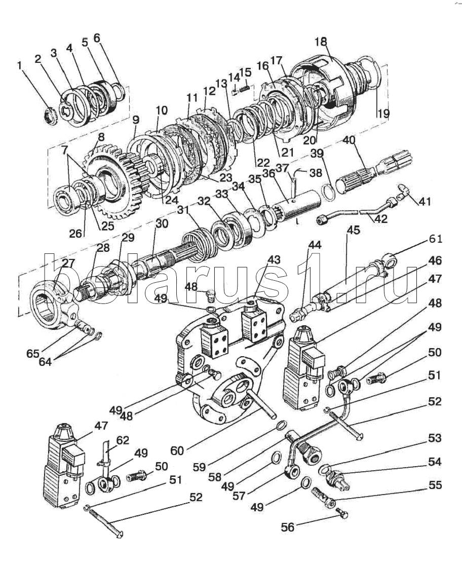
Каталог запасных частей к технике: МТЗ-1221.5. Привод переднего ведущего моста

1
2
3
4
5
6
7
8
9
10
11
12
13
14
15
16
17
18
19
20
21
22
23
24
25
26
27
28
29
30
31
32
33
34
35
36
37
38
39
40
41
42
43
44
45
46
47
47
48
48
48
49
49
49
49
49
49
50
50
51
51
52
52
53
54
55
56
57
58
59
60
61
62
64
65
Позиция на иллюстрации | Заводской номер детали | Название детали | |
---|---|---|---|
1221-1802030 | 1221-1802030 | Заказать | Фрикцион |
1221-1802060-Б | 1221-1802060-Б | Трубопровод | |
1 | 1221-1802023 | Заказать | Гайка |
2 | 1221-1802019 | Заказать | Шайба |
3 | 86-1802024-A | Втулка | |
4 | В72 | Кольцо | |
5 | 6-50306К | Подшипник | |
5 | 6-50306К | Подшипник | |
6 | 86-1802043 | Заказать | Шайба |
7 | 206А | Подшипник | |
8 | 1221-1802040 | Шестерня | |
8 | 1221-1802041 | Заказать | Шестерня |
9 | С135 | Кольцо | |
10 | 86-1802034 | Заказать | Диск упорный |
11 | 86-1802032 | Заказать Заказать | Диск ведомый |
12 | 1221-1802032 | Заказать | Диск ведомый |
13 | С48 | Кольцо | |
14 | 86-1802039 | Направляющая | |
15 | 86-1802048 | Пружина | |
16 | 1221-1802031 | Поршень | |
17 | 86-1802047 | Кольцо | |
18 | 1221-1802036 | Заказать | Барабан |
19 | 86-1802083-A | Кольцо | |
20 | 1221-1802333 | Кольцо | |
21 | 86-1802038 | Пружина | |
22 | 86-1802046 | Стакан | |
23 | 86-1802035-A | Диск ведущий | |
24 | 1221-1802044 | Заказать | Втулка |
25 | С62 | Кольцо | |
26 | 86-1802049 | Кольцо | |
27 | 1221-1802025 | Заказать | Обойма |
28 | 86-1802028 | Заказать | Втулка |
29 | 8020-1802026 | Полумуфта | |
30 | 1221-1802013-Б | Заказать | Вал |
31 | 86-1802027 | Пружина | |
32 | 86-1802051 | Шайба | |
33 | 207 | Заказать | Шарикоподшипник |
34 | 86-1802052 | Шайба | |
35 | 52-2308097 | Заказать Заказать Заказать | Гайка |
36 | 86-1802014-Б | Заказать | Втулка |
37 | ШтифтА.8х40.65Г | Штифт А.8х40.65Г | |
38 | Проволока1,6-О-С | Проволока 1,6-О-С | |
39 | 86-1802017-Б | Заказать | Кольцо |
40 | 1221-1802042 | Заказать Заказать Заказать | Вал |
41 | 86-1802088 | Заказать | Угольник |
42 | 86-1802055 | Заказать | Трубопровод |
43 | 1221-1802016 | Заказать | Крышка |
44 | 85-3407470 | Заказать | Штуцер |
45 | 1221-1802068 | Рукав | |
46 | 12-22,971 | Хомут | |
47 | 1РГЕ-6Т | Гидрораспределитель | |
47 | 3.574Е.Г12.О1 | Гидрораспределитель | |
48 | 1221-1802091 | Пробка резьбовая | |
49 | Д18-055-А | Заказать | Шайба |
50 | Д18-051 | Болт | |
51 | Шайба5Т | Шайба | |
52 | В.М5-6gх50.58.019 | Винт | |
53 | 50-1702048 | Прокладка | |
54 | BK12-51 | Выключатель | |
55 | 1520-1802088 | Болт | |
56 | КГ1,8dm.А12.019 | Пробка | |
57 | 1221-1802050 | Трубопровод | |
58 | 8020-1802018 | Направляющая | |
59 | 019-022-19-2-2 | Кольцо | |
59 | 019-022-19-2-2 | Кольцо | |
60 | 8020-1802029 | Заказать | Толкатель |
61 | Ф80-3407720 | Заказать | Маслопровод |
62 | 1221-2412035-01 | Трубопровод | |
64 | 011-016-30-2-4 | Кольцо | |
64 | 011-016-30-2-4 | Кольцо | |
65 | 1221-1802054 | Заказать | Втулка |
Содержащиеся в справочниках-каталогах запасные части и детали не предлагаются к продаже, а носят исключительно информационный характер