Каталог запасных частей к технике: МТЗ-1222/1523. Электрооборудование по кабине

1
2
2
3
3
3
3
3
3
3
3
4
4
4
5
13
14
14
15
15
16
16
17
17
17
17
17
17
18
18
19
19
20
20
21
21
21
22
22
23
23
24
25
26
27
28
29
30
32
32
33
39
40
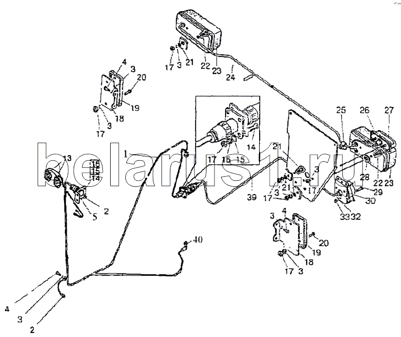
Позиция на иллюстрации | Заводской номер детали | Название детали | |
---|---|---|---|
1 | 923-3724100-Г | Жгут кабины | |
2 | 822-3724012 | Провод | |
3 | ПШ6 | Шайба | |
4 | М6х12 | Винт | |
5 | 923-3723042 | Втулка | |
9 | 1522-3712003 | Кронштейн | |
13 | 3720.10 | Выключатель сигнала торможения | |
14 | ВМ3х16 | Винт | |
15 | Шчз | Шайба | |
16 | пш3 | Шайба | |
17 | М6 | Гайка | |
18 | 1222-3731003 | Кронштейн | |
19 | 3731.10 | Световозвращатель | |
20 | ВМ6х16 | Винт | |
21 | ШЧ6 | Шайба | |
22 | ВМ6х20 | Винт | |
23 | 3716.10 | Фонарь задний | |
24 | 923-3724160-Б | Жгут | |
25 | 70-1115012 | Хомутик | |
26 | 70-3723035 | Наконечник | |
27 | 3717.10 | Фонарь освещения номерного знака | |
28 | 80-6708904 | Заказать | Прокладка |
29 | ВМ5х35 | Винт | |
30 | 3723.10 | Розетка прицепа | |
32 | 923-3723041 | Кронштейн | |
32 | ПШ5 | Шайба | |
33 | М5 | Гайка | |
39 | 2522-3724203 | Жгут | |
40 | 3710.60 | Выключатель лампы ручного тормоза |
Содержащиеся в справочниках-каталогах запасные части и детали не предлагаются к продаже, а носят исключительно информационный характер