Каталог запасных частей к технике: МТЗ-1222/1523. Кабина трактора

1
1
2
3
3
4
5
6
6
7
8
9
10
11
12
13
14
15
16
16
17
18
18
19
20
21
21
22
23
24
25
26
26
27
28
29
30
30
31
31
32
32
33
34
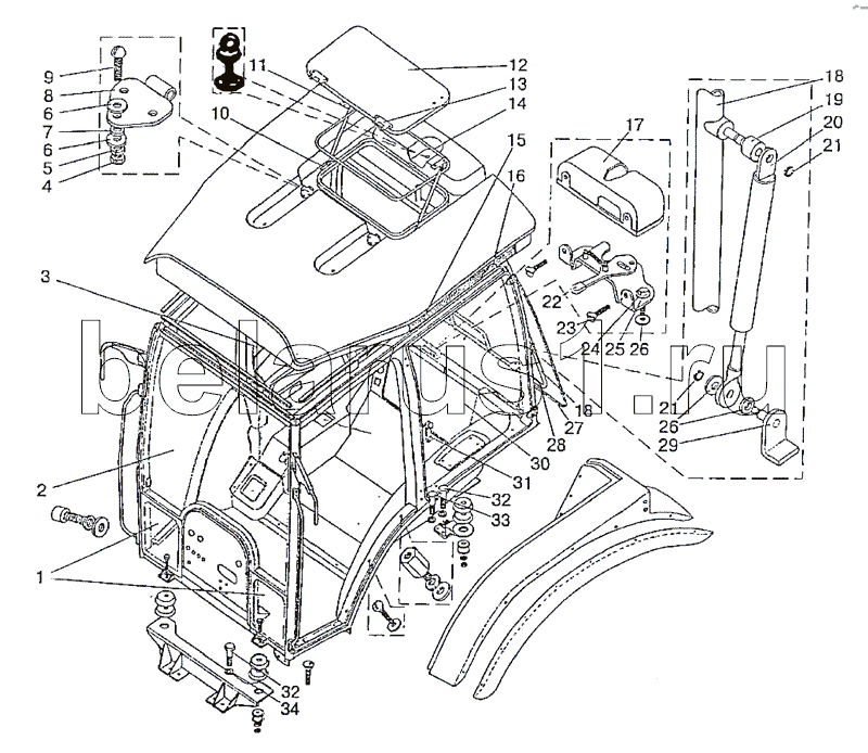
Позиция на иллюстрации | Заводской номер детали | Название детали | |
---|---|---|---|
1 | 2522-6703012 | Стекло левое | |
1 | 2522-6703012-01 | Стекло правое | |
2 | 2522-6703011 | Стекло | |
3 | 2522-6708111 | Стекло левое | |
3 | 2522-6708111-01 | Стекло правое | |
4 | М6 | Гайка | |
5 | ШП6 | Шайба | |
6 | ШЧ6 | Шайба | |
7 | 549-1305044 | Прокладка | |
8 | 822-6707082 | Петля | |
9 | М6 | Гайка | |
10 | 822-6707075 | Кронштейн | |
11 | 586116 | Пневмоподъемник 21532 | |
12 | 822-6707040 | Люк | |
13 | 822-6707081 | Петля | |
14 | В-716 | Профиль | |
15 | 1522-8104060 | Решетка | |
16 | 80-8104060 | Заказать | Фильтр |
17 | 822-6708279 | Крышка | |
18 | 2522-6708215 | Дуга | |
19 | А3701041 | Втулка | |
20 | 21054 | Пневмоподъемник | |
21 | ШП5 | Шайба | |
22 | 822-6708270 | Замок | |
23 | ВМ4х10 | Винт | |
24 | М8х30 | Болт | |
25 | ШП8 | Шайба | |
26 | ШЧ8 | Шайба | |
27 | 2522-6708211 | Стекло | |
28 | В-716-02 | Профиль | |
29 | 822-6708225 | Кронштейн | |
30 | 2522-6708952 | Стекло | |
30 | 2522-6708952-Б | Стекло | |
31 | 2522-6708150 | Фиксатор левый | |
31 | 2522-6708150-01 | Фиксатор правый | |
32 | М16х50 | Болт | |
33 | M16x40 | Болт | |
34 | ШП16 | Шайба |
Содержащиеся в справочниках-каталогах запасные части и детали не предлагаются к продаже, а носят исключительно информационный характер