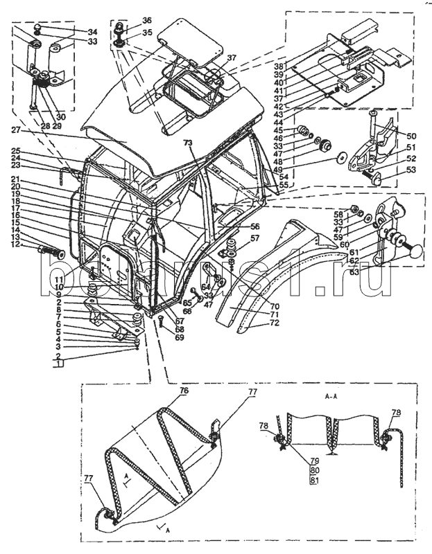
Каталог запасных частей к технике: МТЗ-1523.4. Кабина трактора

2522-6700010
1
2
2
3
4
5
6
7
8
9
10
10
10
11
12
13
14
15
16
17
18
19
20
21
23
24
25
27
28
29
30
33
33
33
33
34
35
36
37
37
38
39
40
41
42
43
44
45
46
47
47
47
48
49
50
51
52
53
54
55
56
57
57
58
59
60
61
62
62
63
64
65
66
67
68
69
70
71
71
72
72
73
76
77
77
78
78
79
80
81
Позиция на иллюстрации | Заводской номер детали | Название детали | |
---|---|---|---|
2522-6700010 | 2522-6700010 | Кабина в сборе | |
1 | 4x36 | Шплинт | |
2 | М16х1,5 | Заказать Заказать | Гайка |
3 | ШП 16 | Шайба | |
4 | ШЧ 16 | Шайба | |
5 | 130-5001364-В | Заказать | Подушка нижняя |
6 | 1522-6700030 | Кронштейн | |
7 | 80-6700160 | Заказать Заказать Заказать Заказать | Виброизолятор |
8 | 80-6700163 | Заказать | Обойма |
9 | 80-6700029 | Заказать | Болт |
10 | 2522-6703033 | Прокладка | |
10 | 2522-6703032 | Прокладка | |
10 | 2522-6703031 | Прокладка | |
11 | 2522-6702001-01 | Прижим | |
12 | ВМ 10x35 | Винт | |
13 | ШЧ 10 | Шайба | |
14 | ШП 10 | Шайба | |
15 | 2522-6703115-01 | Поручень | |
16 | 2522-6702466 | Прижим | |
17 | ТА 2522-6702330-01 | Накладка | |
18 | 2522-6702180 | Панель | |
19 | ТА 1222-6702341 | Пульт | |
20 | ТА 2522-6701070 | Накладка | |
21 | ТА 1222-6702350 | Пульт | |
23 | 2522-6702325-02 | Панель | |
24 | 2522-8201200 | Кронштейн | |
25 | ТА 2822-6701075 | Накладка | |
27 | 2522-6707035 | Крыша | |
28 | 2522-8201219 | Винт | |
29 | 2522-8201205 | Кронштейн | |
30 | 2522-8201204 | Валик | |
33 | ШП8 | Шайба | |
34 | 2522-6708029 | Гайка | |
35 | 2522-6707081 | Шайба | |
36 | 2522-6707033 | Рым-болт | |
37 | 822-6707051-Б | Кронштейн | |
38 | 822-6707064 | Панель | |
39 | 822-6707066 | Крышка | |
40 | 55-17-27 | Пружина | |
41 | 822-6707061 | Зацеп | |
42 | 822-6707067 | Кронштейн | |
43 | М6 | Гайка | |
44 | ШЧ8 | Шайба | |
45 | А 30.04.017 | Колпачок | |
46 | М8 | Гайка | |
47 | ШЧ8 | Шайба | |
48 | 80-6708903 | Заказать | Втулка |
49 | 80-6708904 | Заказать | Прокладка |
50 | 822-8700011 | Палец | |
51 | 2522-6708902 | Петля | |
52 | ШП5 | Шайба | |
53 | 2522-6708905 | Винт | |
54 | 21054 | Пневмоподъемник | |
55 | ТА 2522-6702320 | Накладка | |
56 | 2522-6702335 | Панель | |
57 | 1522-6700037 | Кронштейн | |
57 | 1522-6700037-01 | Кронштейн | |
58 | М8 | Гайка | |
59 | ШП5 | Шайба | |
60 | 822-6708152 | Кронштейн | |
61 | 80-6708904-Б | Прокладка | |
62 | 2522-6708160-01 | Заказать | Рукоятка правая |
62 | 2522-6708160 | Заказать | Рукоятка левая |
63 | 2522-6708165 | Винт | |
64 | 2522-6708032 | Втулка | |
65 | М6х20 | Винт | |
66 | 2522-6700018 | Шайба | |
67 | 2522-6703115 | Поручень левый | |
68 | 2522-6702001 | Прижим левый | |
69 | М6х16 | Винт | |
70 | ТА 2522-6702330 | Накладка | |
71 | 923-8404010-01 | Крыло правое | |
71 | 923-8404010 | Крыло левое | |
72 | 923-8404030 | Уширитель левый | |
72 | 923-8404030-01 | Уширитель правый | |
73 | 2522-6700015-01 | Каркас | |
76 | 2522-6702270 | Чехол | |
77 | 923-6702336 | Полоса | |
78 | 923-6702336-01 | Полоса | |
79 | В.М4х12 | Винт | |
80 | М4 | Гайка | |
81 | С4 | Шайба |
Содержащиеся в справочниках-каталогах запасные части и детали не предлагаются к продаже, а носят исключительно информационный характер