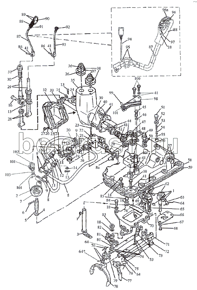
Каталог запасных частей к технике: МТЗ-1523.4. Механизм управления коробкой передач

1222-1702010-01
1
1
2
3
4
5
6
7
8
8
8
8
9
9
9
9
9
10
11
11
12
13
13
13
14
14
15
16
16
17
18
18
18
18
18
18
19
20
20
20
21
22
23
24
25
26
26
27
28
29
30
31
32
33
34
35
36
37
38
39
39
40
41
41
41
41
41
42
43
44
45
46
47
48
49
50
51
52
53
53
54
55
56
57
58
59
60
61
62
63
64
64
64
64
64
65
66
67
68
69
70
70
71
72
73
74
75
76
76
76
77
78
79
80
81
82
83
84
85
86
86
87
87
88
88
89
90
91
92
93
94
95
96
96
96
97
98
99
100
101
101
101
102
103
Позиция на иллюстрации | Заводской номер детали | Название детали | |
---|---|---|---|
1222-1702010-01 | 1222-1702010-01 | Механизм управления коробкой передач | |
1 | 6x10 | Шпонка | |
2 | ШЧ16 | Шайба | |
3 | 1222-1702093 | Рычаг | |
4 | ШП16 | Шайба | |
5 | 1222-1702096 | Ось | |
6 | 3,2x25 | Шплинт | |
7 | 2102-4216110-Б | Цилиндр | |
8 | 1222-1702130 | Маслопровод | |
8 | 1222-1702130-01 | Маслопровод | |
9 | Д18-055-А | Заказать | Шайба |
10 | 1222-1702114 | Штуцер | |
11 | 009-012-19-1-4 | Кольцо | |
12 | ДСДМ-М | Заказать | Датчик сигнализатора давления |
13 | 3,2x18 | Шплинт | |
14 | 85-4619014 | Шайба | |
15 | 1222-1702092 | Рычаг | |
16 | 12x32 | Палец | |
17 | М12x35 | Болт | |
18 | ШП12 | Шайба | |
19 | 2.2-25x42-1 | Манжета | |
20 | Д18-051 | Болт | |
21 | RH 06101-012/00GA-AMP | Гидрораспределитель | |
22 | ШП5 | Шайба | |
23 | В.М5х50 | Винт | |
24 | 80-1702068 | Прокладка | |
25 | 80-1702067 | Крышка | |
26 | ШП6 | Шайба | |
27 | М6х16 | Винт | |
28 | 80С-1702073 | Рычаг | |
29 | 80С-1702074 | Заказать | Вилка |
30 | 77.37.117 | Заказать | Пружина |
31 | 142-1702032 | Заказать | Сфера |
32 | 12x55 | Палец | |
33 | 1222-1702070 | Вал | |
34 | 80С-1702060 | Заказать | Вал |
35 | 80-1702078-А | Корпус | |
36 | М6х20 | Винт | |
37 | 55-47-569-А | Чехол | |
38 | 80С-1702075 | Шайба | |
39 | М10x35 | Болт | |
40 | М10x40 | Болт | |
41 | ШП10 | Шайба | |
42 | 80-4608057 | Пружина | |
43 | 1222-1702064 | Втулка | |
44 | С25 | Заказать | Кольцо |
45 | 1222-1702048 | Винт | |
46 | 85-1702051 | Шайба | |
47 | 80С-1702066 | Прокладка | |
48 | 8x16 | Штифт | |
49 | ВК 12-41 | Выключатель | |
50 | 50-1702048 | Прокладка | |
51 | 70-1703204 | Заказать | Болт |
52 | М16 | Гайка | |
53 | 50-1702148-А | Заказать | Пружина фиксатора |
54 | 80-1704039 | Заказать | Направляющая |
55 | 10,0-60 | Заказать | Шарик ГОСТ 3722-81 |
56 | 70-1703013 | Втулка | |
57 | 28-10 | Заглушка | |
58 | 1222-1702030 | Крышка | |
59 | 85-1702026 | Прокладка | |
60 | 85-1702270 | Заказать | Сапун |
61 | В50-3522023 | Прокладка | |
62 | 85-1702055 | Заказать | Рычаг |
63 | 80-1702108 | Заказать | Болт |
64 | 1,6-О-С | Проволока | |
65 | 1222-1702055 | Рычаг | |
66 | 1222-1702052 | Кулиса | |
67 | 80-3401013 | Шайба | |
68 | М10х20 | Болт | |
69 | 1222-1702074 | Втулка | |
70 | 1222-1702080 | Корпус вилок | |
70 | 1222-1702081 | Корпус вилок | |
71 | 1222-1702084 | Поводок | |
72 | 1222-1702086 | Поводок | |
73 | 1222-1702083 | Поводок | |
74 | 9,922-100 | Шарик | |
75 | 85-1702301 | Ось | |
76 | 220-1702061 | Болт | |
77 | 1222-1702109 | Поводок | |
78 | 1222-1702091 | Заказать | Вилка |
79 | 1222-1702107 | Ограничитель | |
80 | 1222-1702112 | Ось | |
81 | 1222-1702105 | Коромысло | |
82 | 941/20 | Заказать | Подшипник |
83 | М12 | Гайка | |
84 | М12x30 | Болт | |
85 | 50-1702092 | Заказать | Болт призонный М12х42 |
86 | М10х30 | Болт | |
87 | 1222-1702610-А1 | Рычаг | |
88 | 75-1702505 | Рукоятка | |
89 | ВК12-1 | Заказать | Выключатель |
90 | 4x30 | Винт | |
91 | 75-1702502 | Крышка | |
92 | А15.05.020 | Рукоятка | |
93 | 2022-1702500-А | Рычаг | |
94 | 1221-3724925-А | Жгут | |
95 | 80-3723045 | Манжета | |
96 | АЛ 307 KM АО.336.076 ТУ | Светодиод | |
96 | АЛ 307ЧМ АО.336.076 ТУ | Светодиод | |
97 | М12х1,25-6Н.6.019 | Гайка | |
98 | 2022-1702090 | Кронштейн | |
99 | 2022-1702093 | Болт | |
100 | М10x25 | Болт | |
101 | М10 | Гайка | |
102 | 822-3502203 | Заказать | Вилка |
103 | 2022-1702094 | Шпилька |
Содержащиеся в справочниках-каталогах запасные части и детали не предлагаются к продаже, а носят исключительно информационный характер