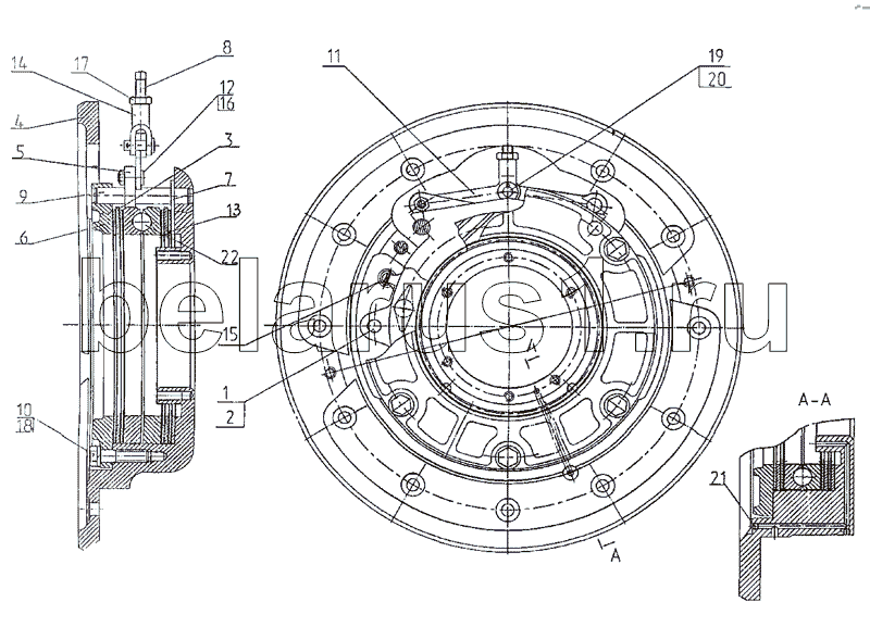
Каталог запасных частей к технике: МТЗ-2522. Тормоз основной

2522-3502010/010-01
1
2
3
4
4
5
6
7
8
9
10
11
12
13
14
15
16
17
18
19
20
21
22
Позиция на иллюстрации | Заводской номер детали | Название детали | |
---|---|---|---|
2522-3502010/010-01 | 2522-3502010/010-01 | Тормоз | |
2522-3502030-А | 2522-3502030-А | Диски нажимные | |
1 | 2522-3502032 | Палец | |
2 | 2522-3502033 | Гайка | |
3 | 2522-3502034 | Диск промежуточный | |
4 | 2522-3502035-01 | Корпус | |
4 | 2522-3502035 | Корпус | |
5 | 2522-3502036-Б | Диск нажимной | |
6 | 2522-3502037 | Крышка | |
7 | 2522-3502038 | Диск опорный | |
8 | 2522-3502039 | Тяга | |
9 | 2522-3502041 | Палец | |
10 | 2522-3502042 | Болт | |
11 | 2522-3502196 | Тяга | |
12 | 2522-3502198 | Палец | |
13 | 2522-3502015/-01 | Диск | |
14 | 50-3502203-01 | Вилка | |
15 | 77.38.163 | Пружина | |
16 | М10-6Н.6.019 | Гайка | |
17 | М12х1,25-6Н.04.019 | Гайка | |
18 | 16ОТ | Шайба ОСТ 37.001.115-75 | |
19 | 3,2x18.019 | Шплинт | |
20 | 12x32.019 | Палец | |
21 | 7,144-60 | Шарик | |
22 | Б22,225-100 | Шарик |
Содержащиеся в справочниках-каталогах запасные части и детали не предлагаются к продаже, а носят исключительно информационный характер