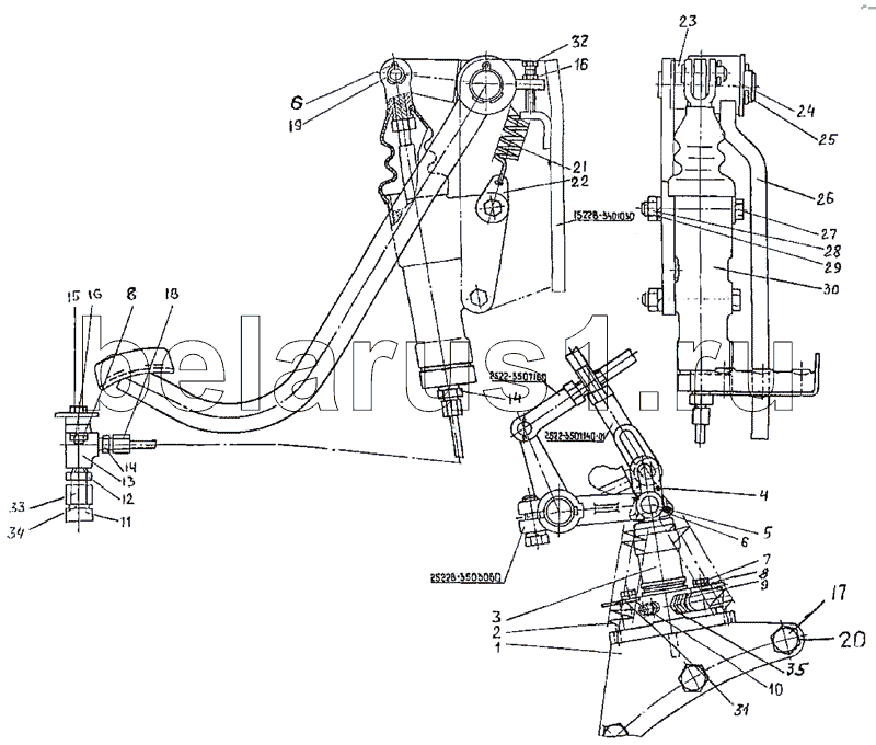
Каталог запасных частей к технике: МТЗ-2522. Управление тормозами на реверсе
2522-3507160
1522В-3401030
2522В-3503060
1
2
3
4
5
6
6
7
8
8
9
10
11
12
13
14
14
15
16
16
17
18
19
20
21
22
23
24
25
26
27
28
29
30
31
32
33
34
35
| Позиция на иллюстрации | Заводской номер детали | Название детали | |
|---|---|---|---|
| 2522-3507160 | 2522-3507160 | Тяга | |
| 1522В-3401030 | 1522В-3401030 | Кронштейн | |
| 2522В-3503060 | 2522В-3503060 | Рычаг | |
| 1 | 2522В-3503040 | Кронштейн | |
| 2 | 70-4803019 | Заказать | Пружина |
| 3 | 73067392 | Цилиндр рабочий | |
| 4 | 2522В-3503551 | Шток | |
| 5 | 12x40 | Палец | |
| 6 | 3,2x18.019 | Шплинт | |
| 7 | M8-6gx45.88.35.019 | Болт | |
| 8 | 8Т | Шайба | |
| 9 | 2522В-3503552 | Штуцер | |
| 10 | 923-1602116 | Ушко | |
| 11 | 923-3503200-01 | Рукав гибкий тормозов тип IV | |
| 12 | 822-3503155 | Штуцер | |
| 13 | 80В-1602106-Б | Угольник | |
| 14 | 822-3503701 | Штуцер | |
| 15 | M8-6gx25.88.35.019 | Болт | |
| 16 | М8-6Н.6.019 | Гайка | |
| 17 | 2522-2401111-01 | Болт | |
| 18 | 2522В-3503830 | Трубопровод | |
| 19 | 12x32 | Палец | |
| 20 | 180Т | Шайба | |
| 21 | 70-4616033зам | Пружина | |
| 22 | 80-1602116 | Ушко | |
| 23 | 80У-1602143 | Втулка | |
| 24 | 50-3503071 | Шайба | |
| 25 | 5x36.019 | Шплинт | |
| 26 | 1522В-3503820 | Педаль | |
| 27 | M10-6gx70.88.35.019 | Болт | |
| 28 | М10-6Н.6.019 | Гайка | |
| 29 | 10ОТ | Шайба ОСТ 37.001.115-75 | |
| 30 | 1221В-1602610 | Заказать Заказать | Цилиндр главный |
| 31 | С8.01.019 | Шайба | |
| 32 | M8-6gx35.88.35.019 | Болт | |
| 33 | Д80-4607212 | Гайка | |
| 34 | 923-3503221 | Ниппель | |
| 35 | 85-1702051 | Шайба |
Содержащиеся в справочниках-каталогах запасные части и детали не предлагаются к продаже, а носят исключительно информационный характер