Каталог запасных частей к технике: МТЗ-80. Буксирное устройство

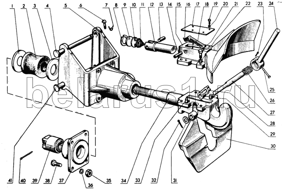
1
2
3
4
5
6
7
8
9
10
11
12
13
14
15
16
17
18
19
20
21
22
23
24
25
26
27
28
29
30
31
32
33
34
35
36
37
38
39
40
41
Позиция на иллюстрации | Заводской номер детали | Название детали | |
---|---|---|---|
70-2805015 | 70-2805015 | Буксир в сборе | |
70-2805005 | 70-2805005 | Буксирное устройство в сборе | |
70-2805025 | 70-2805025 | Корпус в сборе | |
70-2805020 | 70-2805020 | Крюк в сборе | |
1 | 70-2805053 | Фланец | |
2 | 130-2805215-Б | Буфер | |
3 | 70-2805054 | Фланец | |
4 | Н70-2805071 | Палец | |
5 | 70-2805011-Б | Кронштейн | |
6 | А61.05.005 | Заказать | Чека |
7 | А61.05.004 | Кольцо | |
8 | Кольцо В42 ГОСТ 13941-80 | Кольцо В42 ГОСТ 13941-80 | |
9 | 70-2805047 | Заглушка | |
10 | 70-2805027 | Шайба | |
11 | 70-2805048 | Пружина | |
12 | 70-2805044 | Палец | |
13 | 70-2805037 | Палец | |
14 | 70-2805036 | Штифт | |
15 | 70-2805030 | Корпус | |
16 | 70-2805046 | Пружина | |
17 | 70-2805034 | Пластина | |
18 | 70-2805049 | Упор | |
19 | Болт М6-6gх14.88.35.019 ГОСТ 7798-70 | Болт М6-6gх14.88.35.019 ГОСТ 7798-70 | |
20 | Шайба 6Т ОСТ 37.001.115-75 | Шайба 6Т ОСТ 37.001.115-75 | |
21 | Болт М12-6gх30.88.35.019 ГОСТ 7798-70 | Болт М12-6gх30.88.35.019 ГОСТ 7798-70 | |
22 | Шайба 12ОТ ОСТ 37.001.115-75 | Шайба 12ОТ ОСТ 37.001.115-75 | |
23 | Шплинт 3,2х18.016 ГОСТ 397-79 | Шплинт 3,2х18.016 ГОСТ 397-79 | |
24 | 70-2805050 | Рукоятка | |
25 | Палец 8х65.016 ОСТ 37.001.163-75 | Палец 8х65.016 ОСТ 37.001.163-75 | |
26 | 70-2805024 | Пружина | |
27 | 70-2805023 | Ось | |
28 | 70-2805022 | Рычаг | |
29 | 52-2308094 | Заказать | Штифт |
30 | 70-2805040 | Ловитель | |
31 | 70-2805026 | Шайба | |
32 | Шплинт 3,2х25.016 ГОСТ 397-79 | Шплинт 3,2х25.016 ГОСТ 397-79 | |
33 | 12-12-306 | Кольцо | |
34 | 70-2805021 | Крюк | |
35 | Гайка М16-6Н.6.019 ГОСТ 5915-70 | Гайка М16-6Н.6.019 ГОСТ 5915-70 | |
36 | Шайба 16ОТ ОСТ 37.001.115-75 | Шайба 16ОТ ОСТ 37.001.115-75 | |
37 | 70-2805052-Б | Крышка | |
38 | Болт М16-6gх50.88.35.019 ГОСТ 7796-70 | Болт М16-6gх50.88.35.019 ГОСТ 7796-70 | |
39 | 70-2805056 | Гайка | |
40 | Шплинт 6,3х63.016 ГОСТ 397-79 | Шплинт 6,3х63.016 ГОСТ 397-79 | |
41 | Н70-2805071-01 | Палец |
Содержащиеся в справочниках-каталогах запасные части и детали не предлагаются к продаже, а носят исключительно информационный характер