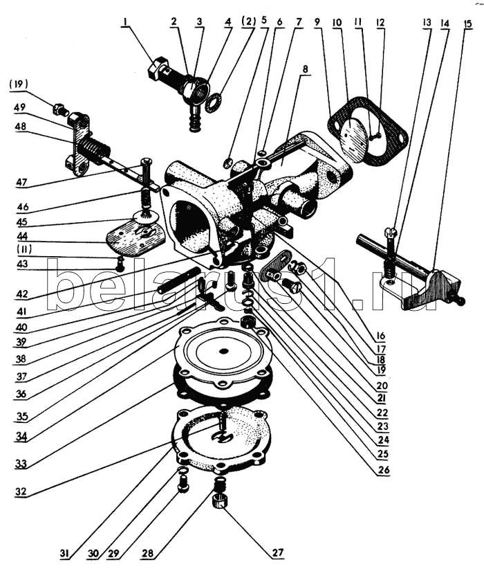
Каталог запасных частей к технике: МТЗ-80. Карбюратор

1
2
2
3
4
5
6
7
8
9
10
11
11
12
13
14
15
16
17
18
19
19
20
21
22
23
24
25
26
27
28
29
30
31
32
33
34
35
36
37
38
39
40
41
42
43
44
45
46
47
48
49
Позиция на иллюстрации | Заводской номер детали | Название детали | |
---|---|---|---|
11.1107565 | 11.1107565 | Заслонка воздушная в сборе | |
11.1107011 | 11.1107011 | Заказать | Карбюратор в сборе |
11.1107305 | 11.1107305 | Клапан обратный в сборе с замком, шайбой и пластиной | |
К06-1107200 | К06-1107200 | Крышка в сборе | |
1 | К13-1107207 | Болт штуцера | |
2 | 002502-07 | Шайба | |
3 | К16А-1107122 | Штуцер | |
4 | К13-1107208 | Сетка | |
5 | 11.1107032 | Заглушка | |
6 | К16-1107102-Б | Винт | |
7 | 11.1107033 | Заглушка | |
8 | 11.1107106.2 | Корпус | |
9 | Д24-093 | Прокладка | |
10 | 11.1107891 | Заслонка дроссельная | |
11 | Шайба 3Т 65Г 016 ОСТ 37.001.115-74 | Шайба 3Т 65Г 016 ОСТ 37.001.115-74 | |
12 | 00.1300-16 | Винт М3-6gх10.48.016 ОСТ 37.001.127-75 | |
13 | 11.1107926 | Винт | |
14 | 003700-04 | Пружина | |
15 | 11.1107820 | Валик | |
16 | 003700-08 | Пружина | |
17 | 002100-3 | Гайка М6.6Н.5.019 ОСТ 37.001.124-75 | |
18 | Шайба 6Л 65Г 016 ОСТ 37.001.115-74 | Шайба 6Л 65Г 016 ОСТ 37.001.115-74 | |
19 | 11.1107549 | Винт муфты | |
20 | 11.1107540 | Рычаг | |
21 | 11.1107021 | Шайба | |
22 | 11.1107171 | Распылитель | |
23 | 11.1107308 | Замок клапана | |
24 | 11.1107309 | Шайба | |
25 | 11.1107307 | Пластина клапана | |
26 | 11.1107306 | Корпус клапана | |
27 | К06-1107202 | Кнопка | |
28 | 003700-03 | Пружина | |
29 | 001300-04 | Винт М5-6gх12.48.016 ОСТ 37.001.127-75 | |
30 | Шайба 5 65Г 016 ОСТ 37.001.115-74 | Шайба 5 65Г 016 ОСТ 37.001.115-74 | |
31 | К06-1107201-10 | Крышка | |
32 | К06-1107203-10 | Утопитель диафрагмы | |
33 | 11.1107029 | Прокладка | |
34 | 11.1107370 | Мембрана | |
35 | К22.1107616 | Винт | |
36 | 11.1107386 | Рычаг | |
37 | К02-1107117-А | Ось | |
38 | К06-1107106 | Пружина | |
39 | 11.1107675 | Игла клапана | |
40 | 11.1107674 | Седло | |
41 | 11.1107114 | Шпилька | |
42 | 11.1107216 | Жиклер | |
43 | 1300 | Винт М3-6gх8.48.016 ОСТ 37.001.127-75 | |
44 | 11.1107571 | Заслонка | |
45 | 11.1107577 | Клапан | |
46 | 11.1107578 | Пружина | |
47 | 11.1107576 | Ось | |
48 | 11.1107575 | Пружина | |
49 | 11.1107520 | Валик заслонки |
Содержащиеся в справочниках-каталогах запасные части и детали не предлагаются к продаже, а носят исключительно информационный характер