Каталог запасных частей к технике: МТЗ-80. Корпус гидроагрегатов, фильтр

1
2
3
4
5
6
7
8
9
10
11
12
12
13
13
13
13
14
14
15
16
17
18
18
19
20
21
22
23
24
25
25
26
27
28
29
30
31
32
33
34
35
36
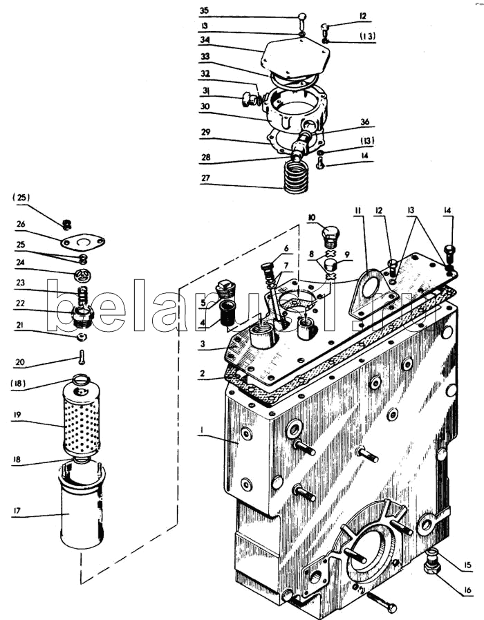
Позиция на иллюстрации | Заводской номер детали | Название детали | |
---|---|---|---|
80-4608010-Б | 80-4608010-Б | Корпус в сборе | |
1 | 80-4608016 | Корпус гидросистемы | |
2 | 80-4608031 | Прокладка | |
3 | 85-4608025-01 | Крышка | |
4 | А61-С06-А3 | Заказать | Фильтр |
5 | Пробка КГ 1/4" ОСТ 23.1.117-83 | Пробка КГ 1/4" ОСТ 23.1.117-83 | |
6 | 70-4608065-А | Заказать | Масломер |
7 | Кольцо 011-015-25-2-2 ГОСТ 9833-73 | Кольцо 011-015-25-2-2 ГОСТ 9833-73 | |
8 | 50-4608062 | Шайба сапуна | |
9 | 50-4608063 | Заказать | Фильтр |
10 | 50-4608059 | Пробка сапуна | |
11 | 80-4608073 | Кронштейн | |
12 | Болт М8-6gх25.88.35.019 ГОСТ 7796-70 | Болт М8-6gх25.88.35.019 ГОСТ 7796-70 | |
13 | 8Т ОСТ 37.001.115-75 | Шайба | |
14 | Болт М8-6gх20.88.35.019 ГОСТ 7796-70 | Болт М8-6gх20.88.35.019 ГОСТ 7796-70 | |
15 | Кольцо 017-022-30-34 ГОСТ 18829-74 | Кольцо 017-022-30-34 ГОСТ 18829-74 | |
16 | 50-4608027-В | Пробка | |
17 | А28.04.20.00А | Корпус | |
18 | Кольцо 041-050-46-2-2 ГОСТ 9833-73 | Кольцо 041-050-46-2-2 ГОСТ 9833-73 | |
19 | 761-00-00-000 | Фильтрующий элемент | |
20 | Винт В1М6-6gх 40.66 ГОСТ 17475-80 | Винт В1М6-6gх 40.66 ГОСТ 17475-80 | |
21 | 8.20.004 | Клапан | |
22 | А28.04.10.001 | Заказать | Корпус |
23 | 8.20.002 | Пружина | |
24 | 8.20.005 | Шайба опорная | |
25 | Гайка М6.6Н ГОСТ 5916-70 | Гайка М6.6Н ГОСТ 5916-70 | |
26 | А28.04.00.001 | Заказать | Ограничитель |
27 | 85-4608057 | Пружина | |
28 | 85-4607034 | Штуцер | |
29 | 85-4608089 | Прокладка | |
30 | 85-4608018-01 | Стакан | |
31 | 85-4608021 | Пробка | |
32 | Кольцо 021-025-25-1-4 ГОСТ 9833-73 | Кольцо 021-025-25-1-4 ГОСТ 9833-73 | |
33 | Кольцо 130-135-30-1-4 ГОСТ 9833-73 | Кольцо 130-135-30-1-4 ГОСТ 9833-73 | |
34 | 85-4608022 | Заказать | Крышка |
35 | Болт М8-6gх80.88.35.019 ГОСТ 7796-70 | Болт М8-6gх80.88.35.019 ГОСТ 7796-70 | |
36 | Кольцо 027-032-30-2-4 ГОСТ 9833-73 | Кольцо 027-032-30-2-4 ГОСТ 9833-73 |
Содержащиеся в справочниках-каталогах запасные части и детали не предлагаются к продаже, а носят исключительно информационный характер