Каталог запасных частей к технике: МТЗ-80. Корпус сцепления

1
2
2
3
3
3
4
5
6
6
7
7
8
9
10
11
12
12
12
13
14
15
16
17
18
19
20
21
22
23
24
25
26
27
28
29
30
31
32
33
34
35
36
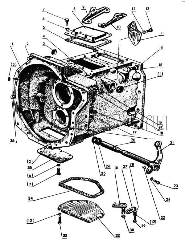
Позиция на иллюстрации | Заводской номер детали | Название детали | |
---|---|---|---|
70-1600010 | 70-1600010 | Заказать | Корпус сцепления |
1 | 70-1601015 | Заказать | Корпус сцепления |
2 | Д01-015 | Заказать | Штифт установочный |
3 | 50-1601022 | Заглушка | |
4 | Штифт 10Пр2,2ах25-06 ГОСТ 3128-70 | Штифт 10Пр2,2ах25-06 ГОСТ 3128-70 | |
5 | 50-1601345 | Прокладка | |
6 | 8Т ОСТ 37.001.115-75 | Шайба | |
7 | Болт М8-6gх16.88.35.019 ГОСТ 7796-70 | Болт М8-6gх16.88.35.019 ГОСТ 7796-70 | |
8 | 50-1601344-А | Крышка | |
9 | 70-1108163 | Кронштейн правый | |
10 | 70-1108162 | Кронштейн левый | |
11 | 50-1601348 | Крышка | |
12 | Шайба 10 ОТ ОСТ 37.001.115-74 | Шайба 10 ОТ ОСТ 37.001.115-74 | |
13 | Болт М10-6gх18.88.35.019 ГОСТ 7796-70 | Болт М10-6gх18.88.35.019 ГОСТ 7796-70 | |
14 | Шайба 16 ОТ ОСТ 37.001.115-74 | Шайба 16 ОТ ОСТ 37.001.115-74 | |
15 | Болт М16-6gх50.88.35.019 ГОСТ 7796-70 | Болт М16-6gх50.88.35.019 ГОСТ 7796-70 | |
16 | Болт М14-6gх60.88.35.019 ГОСТ 7796-70 | Болт М14-6gх60.88.35.019 ГОСТ 7796-70 | |
17 | Шайба 14 ОТ 65Г 06 ОСТ 37.001.115-74 | Шайба 14 ОТ 65Г 06 ОСТ 37.001.115-74 | |
18 | Пробка 11/4" ГОСТ 12719-67 | Пробка 11/4" ГОСТ 12719-67 | |
19 | 50-3503064 | Заказать Заказать | Втулка |
20 | 50-1601215 | Заказать Заказать Заказать | Вал вилок включения |
21 | 80-1601219-Б | Рычаг | |
22 | Шпонка сегментная 6х11 ГОСТ 8795-68 | Шпонка сегментная 6х11 ГОСТ 8795-68 | |
23 | Болт М12-6gх30.88.019 ГОСТ 7796-70 | Болт М12-6gх30.88.019 ГОСТ 7796-70 | |
24 | Шайба 12 ОТ 65Г.06 ОСТ 37.001.115-74 | Шайба 12 ОТ 65Г.06 ОСТ 37.001.115-74 | |
25 | Кольцо СП-38-25-8 ГОСТ 6308-71 | Кольцо СП-38-25-8 ГОСТ 6308-71 | |
26 | 36-1601016 | Заказать | Корпус пылеотражателя |
27 | 80-1601099 | Заказать | Пластина |
28 | Шайба 10.01.019 ГОСТ 11371-78 | Шайба 10.01.019 ГОСТ 11371-78 | |
29 | Болт М10-6gх20.88.35.019 ГОСТ 7796-70 | Болт М10-6gх20.88.35.019 ГОСТ 7796-70 | |
30 | Кольцо 020-025-30-1-4 | Кольцо 020-025-30-1-4 | |
31 | 70-1601140 | Заказать Заказать | Валик |
32 | 50-1601315 | Заказать | Крышка нижняя |
33 | Болт М10-6gх25.88.35.019 ГОСТ 7796-70 | Болт М10-6gх25.88.35.019 ГОСТ 7796-70 | |
34 | 70-1601314 | Прокладка крышки | |
35 | 50-1601341 | Заказать | Крышка сцепления |
36 | 50-1601352 | Заказать | Штифт |
Содержащиеся в справочниках-каталогах запасные части и детали не предлагаются к продаже, а носят исключительно информационный характер