Каталог запасных частей к технике: МТЗ-80. Отопитель

1
2
3
4
4
5
5
5
5
6
6
7
7
8
9
9
10
11
12
13
14
14
15
16
17
18
19
19
20
21
22
23
24
25
26
27
28
29
30
31
32
33
34
35
36
37
38
39
40
41
42
43
44
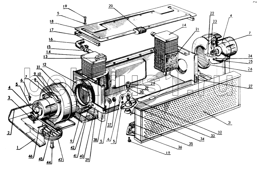
Позиция на иллюстрации | Заводской номер детали | Название детали | |
---|---|---|---|
80-8100010 | 80-8100010 | Отопитель в сборе | |
1 | 80-8101020 | Панель | |
2 | 80-8100021 | Обивка | |
3 | 80-8100017 | Прокладка | |
4 | 1937.30000 | Электродвигатель | |
5 | Шайба 6 01.019 ГОСТ 11371-78 | Шайба 6 01.019 ГОСТ 11371-78 | |
6 | Болт М6-6gх16.88.35.019 ГОСТ 7796-70 | Болт М6-6gх16.88.35.019 ГОСТ 7796-70 | |
7 | 50-8104029 | Прокладка | |
8 | 70-8115075 | Крышка | |
9 | Болт М6-6gх14.88.35.019 ГОСТ 7796-70 | Болт М6-6gх14.88.35.019 ГОСТ 7796-70 | |
10 | 70-8115168 | Прокладка | |
11 | 80-8103020 | Кожух вентилятора | |
12 | 80-8100016-02 | Уплотнитель | |
13 | 80-8102019 | Уплотнитель | |
14 | ОТ2.013-010-04 | Радиатор | |
15 | ХС-23 | Хомут | |
16 | 80-8102015 | Шланг L=700 мм | |
17 | ПР-035-01 | Профиль | |
18 | 80-8102011 | Крышка | |
19 | Винт М6-6gх16.58.019 ГОСТ 17475-80 | Винт М6-6gх16.58.019 ГОСТ 17475-80 | |
20 | 80-8100016 | Уплотнитель | |
21 | 80-8102044 | Уплотнитель | |
22 | 70-8115192 | Стяжка | |
23 | Винт М5-6gх10.58.019 ГОСТ 17475-80 | Винт М5-6gх10.58.019 ГОСТ 17475-80 | |
24 | Шайба 5Т | Шайба 5Т | |
25 | Гайка М5-6Н.6.019 | Гайка М5-6Н.6.019 | |
26 | 70-8115191 | Ротор | |
27 | 80-8100016-01 | Уплотнитель | |
28 | Гайка М10.6.6Н.019 ГОСТ 5915-70 | Гайка М10.6.6Н.019 ГОСТ 5915-70 | |
29 | Шайба 10.01.019 ГОСТ 11371-78 | Шайба 10.01.019 ГОСТ 11371-78 | |
30 | Шайба 10ОТ ГОСТ 6402-70 | Шайба 10ОТ ГОСТ 6402-70 | |
31 | 80-8101050 | Фильтр | |
32 | 70-6700031 | Держатель | |
33 | 70-6700116 | Накладка | |
34 | 50-3711038 | Опора фары | |
35 | 80-8100012 | Заслонка | |
36 | 80-8100011 | Крышка | |
37 | Гайка М6.6Н.6.019 ГОСТ 5915-70 | Гайка М6.6Н.6.019 ГОСТ 5915-70 | |
38 | 80-8102020 | Корпус | |
39 | 80-8100033 | Уплотнитель | |
40 | 80-8102025 | Пружина | |
41 | 80-8100033-01 | Уплотнитель | |
42 | Шайба 6 65Г 06 ГОСТ 6402-70 | Шайба 6 65Г 06 ГОСТ 6402-70 | |
43 | 80-8100013 | Накладка | |
44 | Палец 6х8 | Палец 6х8 |
Содержащиеся в справочниках-каталогах запасные части и детали не предлагаются к продаже, а носят исключительно информационный характер